LEMON Manuals: Even more car manuals for everyone: 1960-2025
Home >> Lexus >> 2019 >> UX 250h Base >> Repair and Diagnosis (Single Page) >> Accessories & Equipment >> Anti-Theft Systems >> Smart Access System W/ Push-Button Start (Entry Function) (Diagnostic Codes & Symptom Tests) (Hybrid) >> SMART ACCESS SYSTEM WITH PUSH-BUTTON START (for Entry Function, HV Model) >> All Door Entry Lock/Unlock Functions and Wireless Functions do not Operate [08/2021 - ] >> Wiring Diagram
April 5, 2026: LEMON Manuals is launched! Read the announcement.

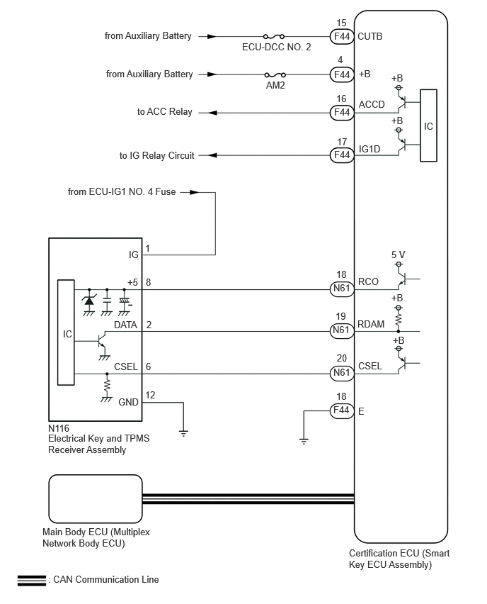
All Door Entry Lock/Unlock Functions and Wireless Functions do not Operate [08/2021 - ]: Wiring Diagram

GTY1087781Courtesy of © TOYOTA, LICENSE AGREEMENT TMS1002