LEMON Manuals: Even more car manuals for everyone: 1960-2025
Home >> Lexus >> 2019 >> UX 250h Base >> Repair and Diagnosis (Single Page) >> Accessories & Equipment >> Anti-Theft Systems >> Smart Access System W/ Push-Button Start (Entry Function) (Diagnostic Codes & Symptom Tests) (Hybrid) >> SMART ACCESS SYSTEM WITH PUSH-BUTTON START (for Entry Function, HV Model) >> Back Door Entry Lock and Unlock Functions do not Operate [10/2018 - ] >> Wiring Diagram
April 5, 2026: LEMON Manuals is launched! Read the announcement.

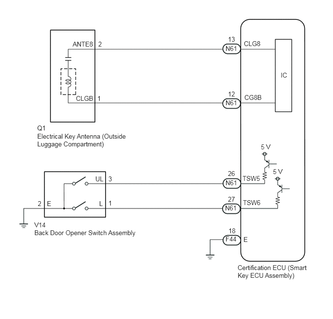
Back Door Entry Lock and Unlock Functions do not Operate [10/2018 - ]: Wiring Diagram

GTY806118Courtesy of © TOYOTA, LICENSE AGREEMENT TMS1002