LEMON Manuals: Even more car manuals for everyone: 1960-2025
Home >> Lexus >> 2019 >> UX 250h Base >> Repair and Diagnosis (Single Page) >> Accessories & Equipment >> Entertainment Systems >> LEXUS ENFORM System (Diagnostics & Symptom Tests) >> LEXUS ENFORM System >> DCM Data Signal Circuit between Navigation ECU and DCM [10/2018 - 10/2019] >> Wiring Diagram
April 5, 2026: LEMON Manuals is launched! Read the announcement.

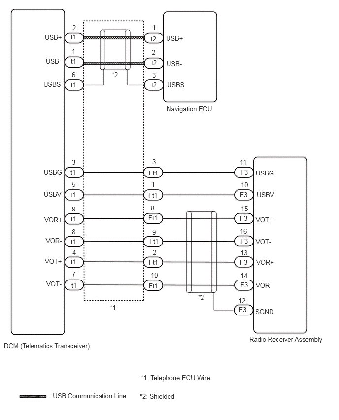
DCM Data Signal Circuit between Navigation ECU and DCM [10/2018 - 10/2019]: Wiring Diagram

  1. w/o Navigation System 
    GTY832466Courtesy of © TOYOTA, LICENSE AGREEMENT TMS1002
  2. w/ Navigation System 
    GTY781843Courtesy of © TOYOTA, LICENSE AGREEMENT TMS1002