LEMON Manuals: Even more car manuals for everyone: 1960-2025
Home >> Lexus >> 2019 >> UX 250h Base >> Repair and Diagnosis (Single Page) >> Electrical >> Fuses & Circuit Breakers >> OEM Junction Block, Ecu & Fuse/Relay Locations >> Junction Block Fuse, Relay & Circuit Identification >> Instrument Panel Junction Block Assembly - Instrument Panel Reinforcement >> Instrument Panel Junction Block Assembly Inner Circuit
April 5, 2026: LEMON Manuals is launched! Read the announcement.

Instrument Panel Junction Block Assembly Inner Circuit

Fig 1: Instrument Panel J/B Assembly Circuit Diagram With Relays (1 Of 5)
G00586052Courtesy of © TOYOTA, LICENSE AGREEMENT TMS1002
INSTRUMENT PANEL J/B INNER CIRCUIT RELAY IDENTIFICATION

RELAY DESCRIPTION
IG2-NO. 2 Relay
ALL DR LOCK Relay
D-DR UNLOCK Relay
Fig 2: Instrument Panel J/B Assembly Circuit Diagram With Relays (2 Of 5)
G00586053Courtesy of © TOYOTA, LICENSE AGREEMENT TMS1002
INSTRUMENT PANEL J/B INNER CIRCUIT RELAY IDENTIFICATION

RELAY DESCRIPTION
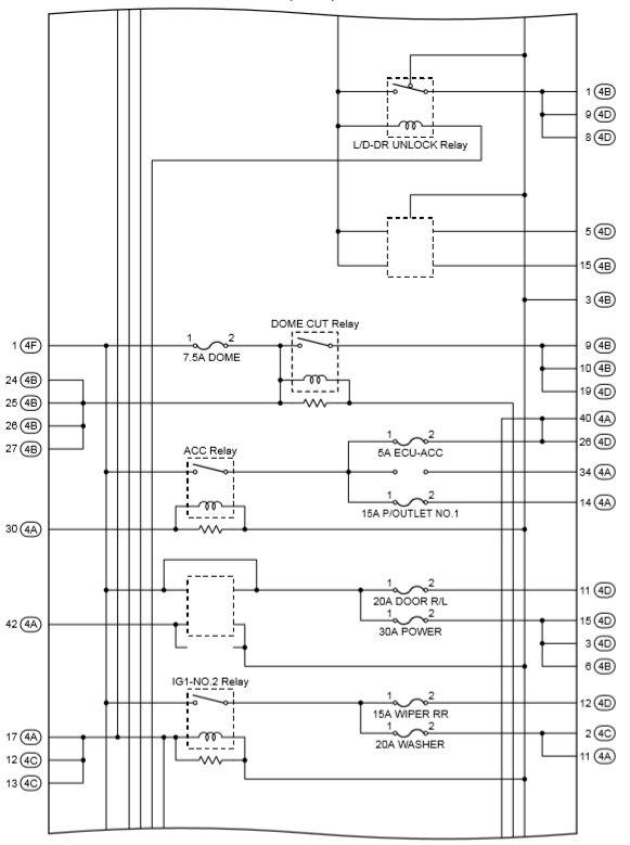
L/D-DR UNLOCK Relay
DOME CUT Relay
ACC Relay
IG1-NO. 2 Relay
Fig 3: Instrument Panel J/B Assembly Circuit Diagram With Relays (3 Of 5)
G00586055Courtesy of © TOYOTA, LICENSE AGREEMENT TMS1002
INSTRUMENT PANEL J/B INNER CIRCUIT RELAY IDENTIFICATION

RELAY DESCRIPTION
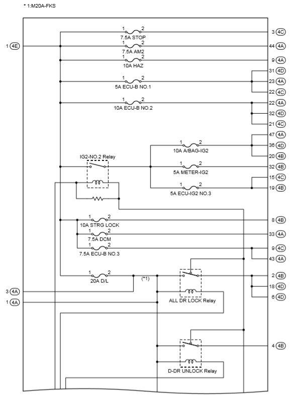
IG1-NO. 1 Relay
BKUP LP Relay
DOOR BACK Relay
Fig 4: Instrument Panel J/B Assembly Circuit Diagram With Relays (4 Of 5)
G00586054Courtesy of © TOYOTA, LICENSE AGREEMENT TMS1002
INSTRUMENT PANEL J/B INNER CIRCUIT RELAY IDENTIFICATION

RELAY DESCRIPTION
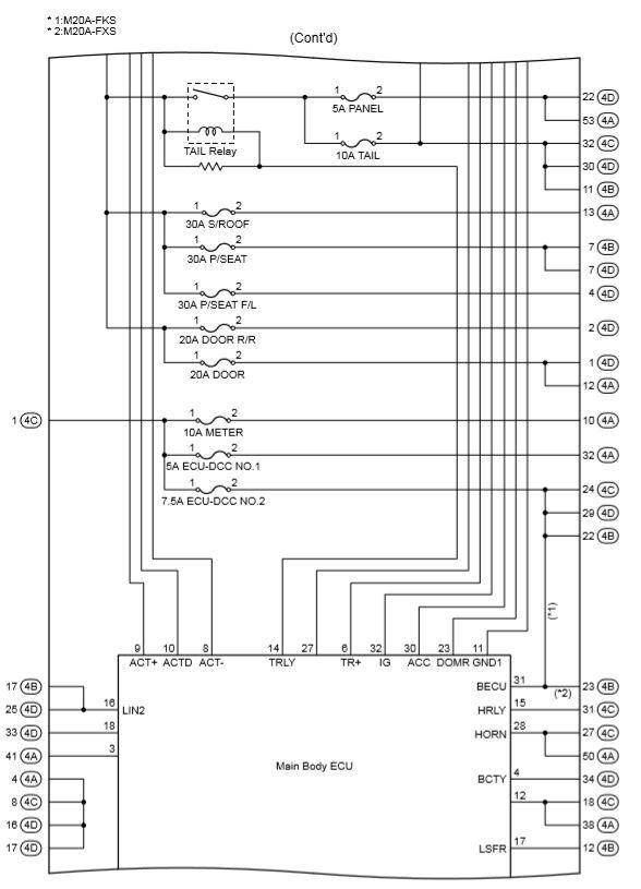
TAIL Relay
Fig 5: Instrument Panel J/B Assembly Circuit Diagram With Relays (5 Of 5)
G00586056Courtesy of © TOYOTA, LICENSE AGREEMENT TMS1002
INSTRUMENT PANEL J/B INNER CIRCUIT RELAY IDENTIFICATION

RELAY DESCRIPTION
FUEL OPN Relay
ACC NO. 2 Relay