LEMON Manuals: Even more car manuals for everyone: 1960-2025
Home >> Lexus >> 2019 >> UX 250h Base >> Repair and Diagnosis (Single Page) >> Electrical >> Fuses & Circuit Breakers >> OEM Junction Block, Ecu & Fuse/Relay Locations >> Relay Block Identification >> Engine Room Relay Block Assembly And Engine Room Junction Block Assembly No. 1 (M20A-FXS) - Front Fender Apron LH >> Engine Room Relay Block Assembly and Engine Room Junction Block No. 1 (M20A-FXS) Assembly Inner Circuit
April 5, 2026: LEMON Manuals is launched! Read the announcement.

Engine Room Relay Block Assembly and Engine Room Junction Block No. 1 (M20A-FXS) Assembly Inner Circuit

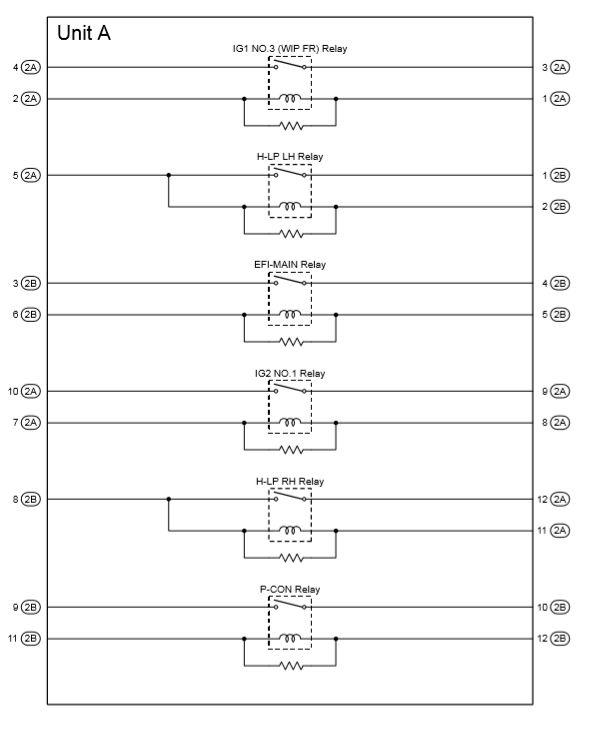
Fig 1: Engine Room R/B And J/B Assembly No. 1 (M20A-FXS) Circuit Diagram (1 Of 5)
G00586037Courtesy of © TOYOTA, LICENSE AGREEMENT TMS1002
ENGINE ROOM R/B AND J/B NO. 1 (M20A-FXS) INNER CIRCUIT RELAY IDENTIFICATION

RELAY DESCRIPTION
IG1 NO. 3 (WIP FR) Relay
H-LP LH Relay
EFI-MAIN Relay
IG2 NO. 1 Relay
H-LP RH Relay
P-CON Relay
Fig 2: Engine Room R/B And J/B Assembly No. 1 (M20A-FXS) Circuit Diagram (2 Of 5)
G00586038Courtesy of © TOYOTA, LICENSE AGREEMENT TMS1002
Fig 3: Engine Room R/B And J/B Assembly No. 1 (M20A-FXS) Circuit Diagram (3 Of 5)
G00586039Courtesy of © TOYOTA, LICENSE AGREEMENT TMS1002
ENGINE ROOM R/B AND J/B NO. 1 (M20A-FXS) INNER CIRCUIT RELAY IDENTIFICATION

RELAY DESCRIPTION
EFI-MAIN NO. 1 Relay
DEF Relay
Fig 4: Engine Room R/B And J/B Assembly No. 1 (M20A-FXS) Circuit Diagram (4 Of 5)
G00586040Courtesy of © TOYOTA, LICENSE AGREEMENT TMS1002
ENGINE ROOM R/B AND J/B NO. 1 (M20A-FXS) INNER CIRCUIT RELAY IDENTIFICATION

RELAY DESCRIPTION
INV W/PMP Relay
D INJ Relay
EFI-MAIN NO. 3 Relay
S-HORN Relay
Fig 5: Engine Room R/B And J/B Assembly No. 1 (M20A-FXS) Circuit Diagram (5 Of 5)
G00586041Courtesy of © TOYOTA, LICENSE AGREEMENT TMS1002
ENGINE ROOM R/B AND J/B NO. 1 (M20A-FXS) INNER CIRCUIT RELAY IDENTIFICATION

RELAY DESCRIPTION
EFI-MAIN NO. 2 Relay
HORN Relay