LEMON Manuals: Even more car manuals for everyone: 1960-2025
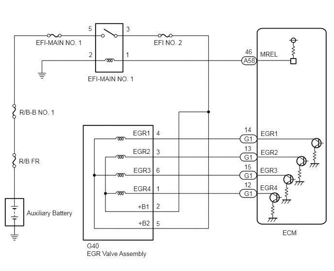
Home >> Lexus >> 2020 >> LC 500h >> Repair and Diagnosis >> Engine Performance >> System >> Engine Control System - Diagnostic Codes (5 Of 9) >> SFI System >> DTC P0403-14: Exhaust Gas Recirculation "A" Control Circuit 1 Open; DTC P1400-00: Exhaust Gas Recirculation "A" Control Circuit 2 Open; DTC P1405-96: Exhaust Gas Recirculation "A" Control Circuit 3 Open; DTC P1410-04: Exhaust Gas Recirculation "A" Control Circuit 4 Open [01/2017 - 04/2020] >> Wiring Diagram
April 5, 2026: LEMON Manuals is launched! Read the announcement.

DTC P0403-14: Exhaust Gas Recirculation "A" Control Circuit 1 Open; DTC P1400-00: Exhaust Gas Recirculation "A" Control Circuit 2 Open; DTC P1405-96: Exhaust Gas Recirculation "A" Control Circuit 3 Open; DTC P1410-04: Exhaust Gas Recirculation "A" Control Circuit 4 Open [01/2017 - 04/2020]: Wiring Diagram

GTY776944Courtesy of © TOYOTA, LICENSE AGREEMENT TMS1002