LEMON Manuals: Even more car manuals for everyone: 1960-2025
Home >> Lexus >> 2020 >> LS 500 Base, AWD >> Repair and Diagnosis (Single Page) >> Accessories & Equipment >> Wiper/Washer Systems >> Wiper System / Washer System - Diagnostics - Introduction >> Wiper And Washer System >> System Diagram [12/2017 - 10/2020] >> System Diagram [12/2017 - 10/2020]
April 5, 2026: LEMON Manuals is launched! Read the announcement.

System Diagram [12/2017 - 10/2020]

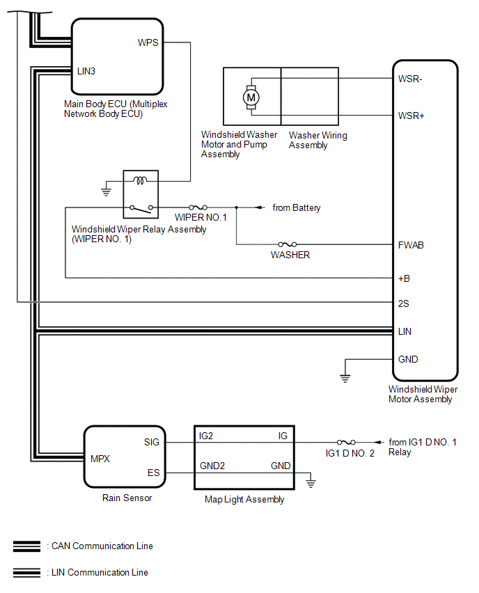
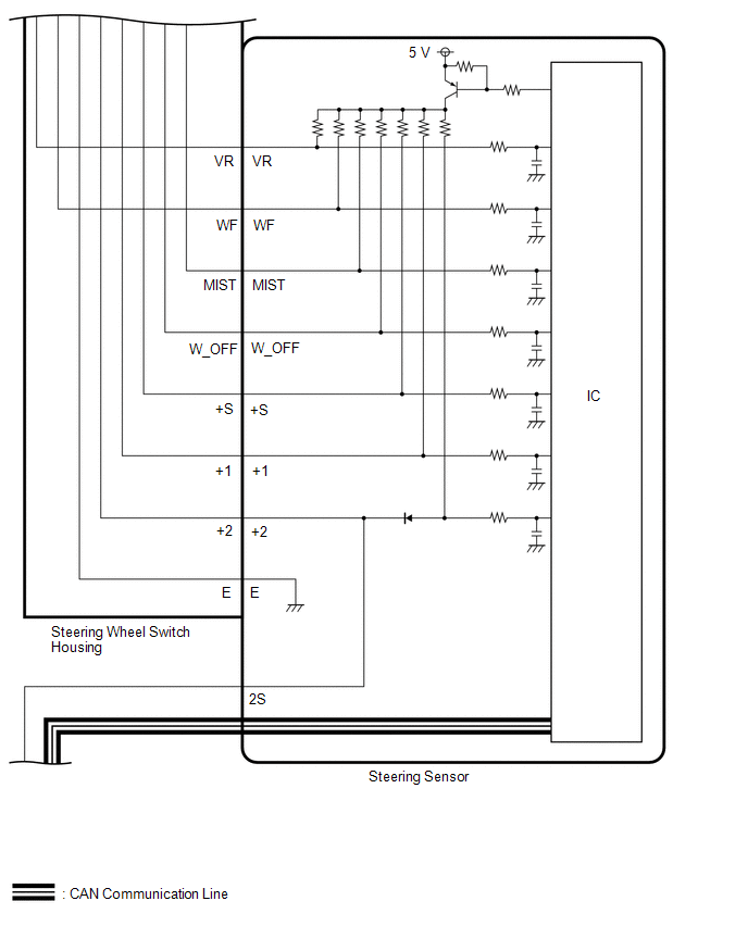
  1. WIPER AND WASHER SYSTEM 
    Fig 1: Wiper and Washer System Diagram (1 Of 4)
    GTY810437Courtesy of © TOYOTA, LICENSE AGREEMENT TMS1002
    Fig 2: Wiper and Washer System Diagram (2 Of 4)
    GTY786115Courtesy of © TOYOTA, LICENSE AGREEMENT TMS1002
    Fig 3: Wiper And Washer System Diagram (3 Of 4)
    GTY792876Courtesy of © TOYOTA, LICENSE AGREEMENT TMS1002
    Fig 4: Wiper And Washer System Diagram (4 Of 4)
    GTY1229154Courtesy of © TOYOTA, LICENSE AGREEMENT TMS1002
  2. HEADLIGHT CLEANER SYSTEM (w/ Headlight Cleaner System) 
    Fig 5: Headlight Cleaner System (W/ Headlight Cleaner System) Wiring Diagram
    GTY802988Courtesy of © TOYOTA, LICENSE AGREEMENT TMS1002
  3. WASHER FLUID LEVEL WARNING SYSTEM 
    Fig 6: Washer Fluid Level Warning System Wiring Diagram
    GTY802783Courtesy of © TOYOTA, LICENSE AGREEMENT TMS1002