LEMON Manuals: Even more car manuals for everyone: 1960-2025
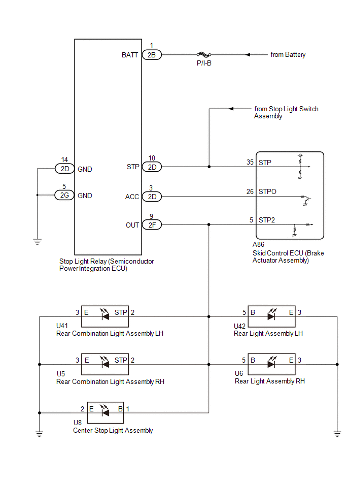
Home >> Lexus >> 2020 >> RC F Base >> Repair and Diagnosis >> Restraints >> Restraints Control Systems >> Pre-Collision System - Diagnostic Codes (1 Of 2) >> Pre-Collision System >> DTC C1A4B: Stop Light Relay Circuit [11/2017 - 03/2019] >> Wiring Diagram
April 5, 2026: LEMON Manuals is launched! Read the announcement.

DTC C1A4B: Stop Light Relay Circuit [11/2017 - 03/2019]: Wiring Diagram

GTY820960Courtesy of © TOYOTA, LICENSE AGREEMENT TMS1002