LEMON Manuals: Even more car manuals for everyone: 1960-2025
Home >> Lexus >> 2021 >> GX 460 Base >> Repair and Diagnosis >> Body & Frame >> Door Locks >> Smart Access System (Start Function) (Diagnostics - Introduction) >> SMART ACCESS SYSTEM WITH PUSH-BUTTON START (for Start Function) >> System Diagram [08/2022 - ] >> System Diagram [08/2022 - ]
April 5, 2026: LEMON Manuals is launched! Read the announcement.

System Diagram [08/2022 - ]

  1. SMART ACCESS SYSTEM WITH PUSH-BUTTON START (for Start Function) 
    Fig 1: Smart Access System With Push-Button Start (For Start Function) Wiring Diagram (1 Of 5)
    GTY963039Courtesy of © TOYOTA, LICENSE AGREEMENT TMS1002
    Fig 2: Smart Access System With Push-Button Start (For Start Function) Wiring Diagram (2 Of 5)
    GTY1083622Courtesy of © TOYOTA, LICENSE AGREEMENT TMS1002
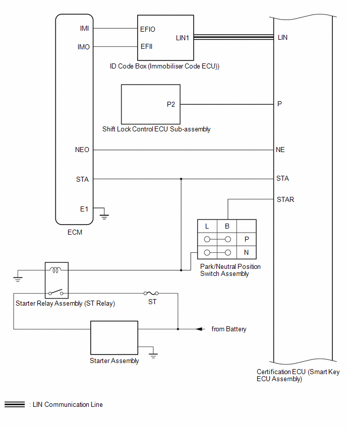
    Fig 3: Smart Access System With Push-Button Start (For Start Function) Wiring Diagram (3 Of 5)
    GTY1089142Courtesy of © TOYOTA, LICENSE AGREEMENT TMS1002
    Fig 4: Smart Access System With Push-Button Start (For Start Function) Wiring Diagram (4 Of 5)
    GTY962452Courtesy of © TOYOTA, LICENSE AGREEMENT TMS1002
    Fig 5: Smart Access System With Push-Button Start (For Start Function) Wiring Diagram (5 Of 5)
    GTY962152Courtesy of © TOYOTA, LICENSE AGREEMENT TMS1002
    Component Outline
    Engine switch
    • Transponder key amplifier
    • Turns on the power and starts the engine.
    • Contains a built-in transponder key amplifier to start the engine when the electrical key transmitter sub-assembly does not operate properly due to a depleted battery or wave interference.
    Certification ECU (smart key ECU assembly)
    • Changes the power source mode by operating the ACC and IG relays.
    • Controls starting by operating the starter relay.
    • Performs key verification.
    • Controls the electrical key antenna (outside), electrical key antenna (indoor) and door lock/unlock sensor.
    • Outputs entry door lock/unlock commands.
    • Outputs immobiliser set/unset commands.
    • Forms the smart access system with push-button start detection area.
    ECM Outputs a signal indicating that the engine has started to the certification ECU (smart key ECU assembly) when starting the engine.
    ID code box (immobiliser code ECU)
    • Receives command signals from the certification ECU and outputs immobiliser set and unset command signals to the hybrid vehicle control ECU.
    • Records codes for smart verification.
    Combination meter assembly
    • Displays various warnings according to the command signals from the certification ECU (smart key ECU assembly).
    • Outputs a vehicle speed signal to the ECUs.
    IG, ACC relay Turns on/off according to the certification ECU (smart key ECU assembly) and provides power to each system.
    Stop light switch assembly Detects that the brake pedal has been depressed (switch is on) and outputs a signal to the certification ECU (smart key ECU assembly).
    • No. 1 indoor electrical key antenna assembly (front floor)
    • No. 2 indoor electrical key antenna assembly (rear floor)
    • No. 3 indoor electrical key antenna assembly (inside luggage)
    Sends the request code from the certification ECU (smart key ECU assembly) and forms the vehicle interior detection area.
  2. SMART ACCESS SYSTEM WITH PUSH-BUTTON START (for Entry Function) 

    Refer to SYSTEM DIAGRAM [08/2022 - ]