LEMON Manuals: Even more car manuals for everyone: 1960-2025
Home >> Lexus >> 2021 >> LS 500h RWD >> Repair and Diagnosis (Single Page) >> Restraints >> Restraints Control Systems >> Easy Access Buckle System - Diagnostic Codes, Circuit & Symptom Tests >> Easy Access Buckle System >> Driver Seat Easy Access Buckle Function does not Operate [10/2023 - ] >> Wiring Diagram
April 5, 2026: LEMON Manuals is launched! Read the announcement.

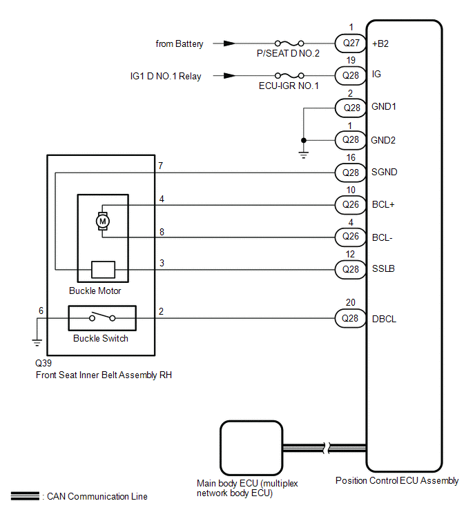
Driver Seat Easy Access Buckle Function does not Operate [10/2023 - ]: Wiring Diagram

GTY1234040Courtesy of © TOYOTA, LICENSE AGREEMENT TMS1002