LEMON Manuals: Even more car manuals for everyone: 1960-2025
Home >> Lexus >> 2021 >> RC 350 Base, AWD >> Repair and Diagnosis >> Steering >> Power Steering >> Power Steering System - Diagnostics - Introduction >> Power Steering System >> System Diagram [09/2020 - ] >> System Diagram [09/2020 - ]
April 5, 2026: LEMON Manuals is launched! Read the announcement.

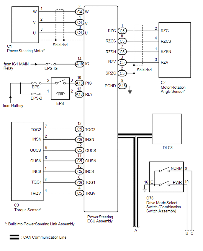
System Diagram [09/2020 - ]

GTY958310Courtesy of © TOYOTA, LICENSE AGREEMENT TMS1002
GTY957780Courtesy of © TOYOTA, LICENSE AGREEMENT TMS1002