LEMON Manuals: Even more car manuals for everyone: 1960-2025
Home >> Lexus >> 2021 >> RC 350 Base, RWD >> Repair and Diagnosis >> Engine Performance >> System >> Engine Control System (2GR-FKS) - Diagnostics - Introduction (1 Of 4) >> SFI System >> System Diagram [11/2017 - 09/2020] >> System Diagram [11/2017 - 09/2020]
April 5, 2026: LEMON Manuals is launched! Read the announcement.

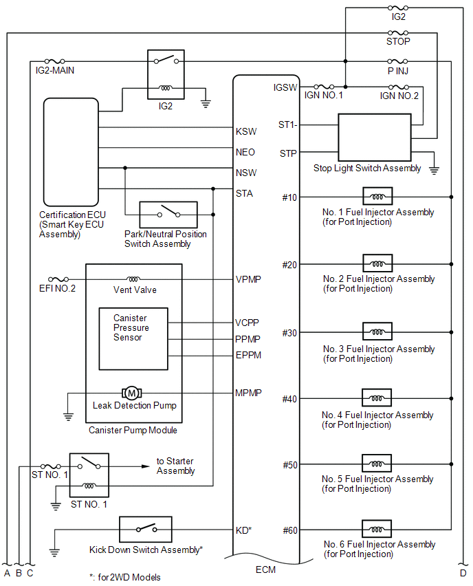
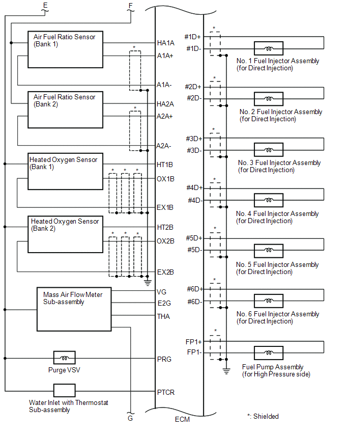
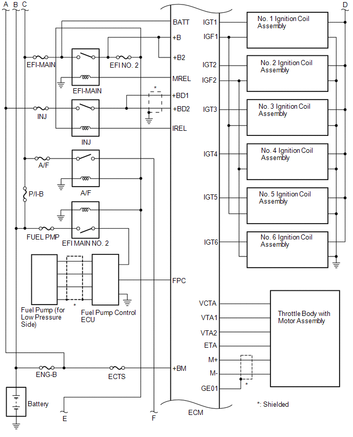
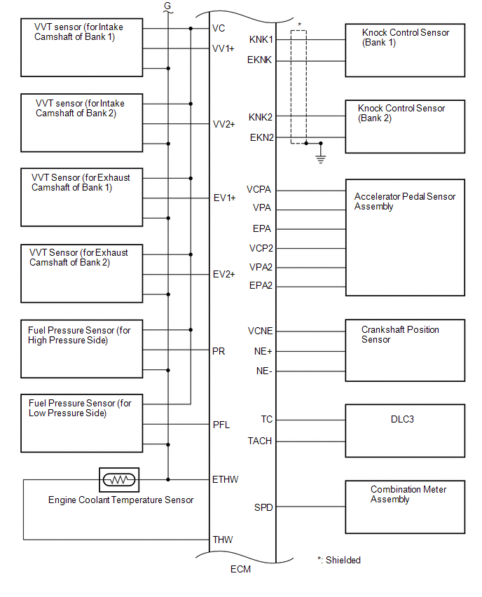
System Diagram [11/2017 - 09/2020]

GTY830967Courtesy of © TOYOTA, LICENSE AGREEMENT TMS1002
GTY779846Courtesy of © TOYOTA, LICENSE AGREEMENT TMS1002
GTY781937Courtesy of © TOYOTA, LICENSE AGREEMENT TMS1002
GTY788190Courtesy of © TOYOTA, LICENSE AGREEMENT TMS1002
GTY831932Courtesy of © TOYOTA, LICENSE AGREEMENT TMS1002