LEMON Manuals: Even more car manuals for everyone: 1960-2025
Home >> Lexus >> 2021 >> RX 350 Base, AWD >> Repair and Diagnosis (Single Page) >> Accessories & Equipment >> Anti-Theft Systems >> Smart Access System With Push-Button Start (For Entry Function) - Diagnostics - Symptom Tests >> SMART ACCESS SYSTEM WITH PUSH-BUTTON START (for Entry Function) >> Back Door Entry Lock and Unlock Functions do not Operate [09/2015 - ] >> Wiring Diagram
April 5, 2026: LEMON Manuals is launched! Read the announcement.

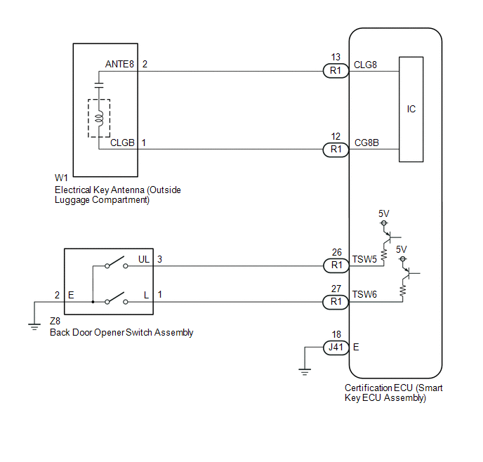
Back Door Entry Lock and Unlock Functions do not Operate [09/2015 - ]: Wiring Diagram

GTY649580Courtesy of © TOYOTA, LICENSE AGREEMENT TMS1002