LEMON Manuals: Even more car manuals for everyone: 1960-2025
Home >> Lexus >> 2021 >> RX 350 Base, AWD >> Repair and Diagnosis (Single Page) >> Accessories & Equipment >> Exterior Lights >> Lighting System (W/O Automatic Headlight Beam Level Control System) - Diagnostics - Introduction >> LIGHTING SYSTEM (w/o Automatic Headlight Beam Level Control System) >> System Diagram [09/2015 - 08/2019] >> System Diagram [09/2015 - 08/2019]
April 5, 2026: LEMON Manuals is launched! Read the announcement.

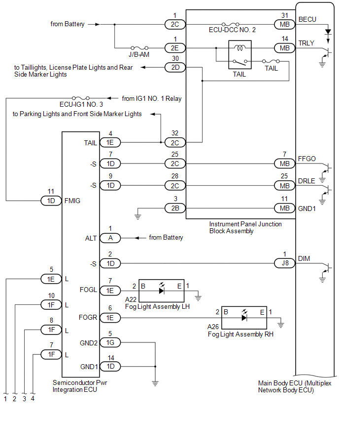
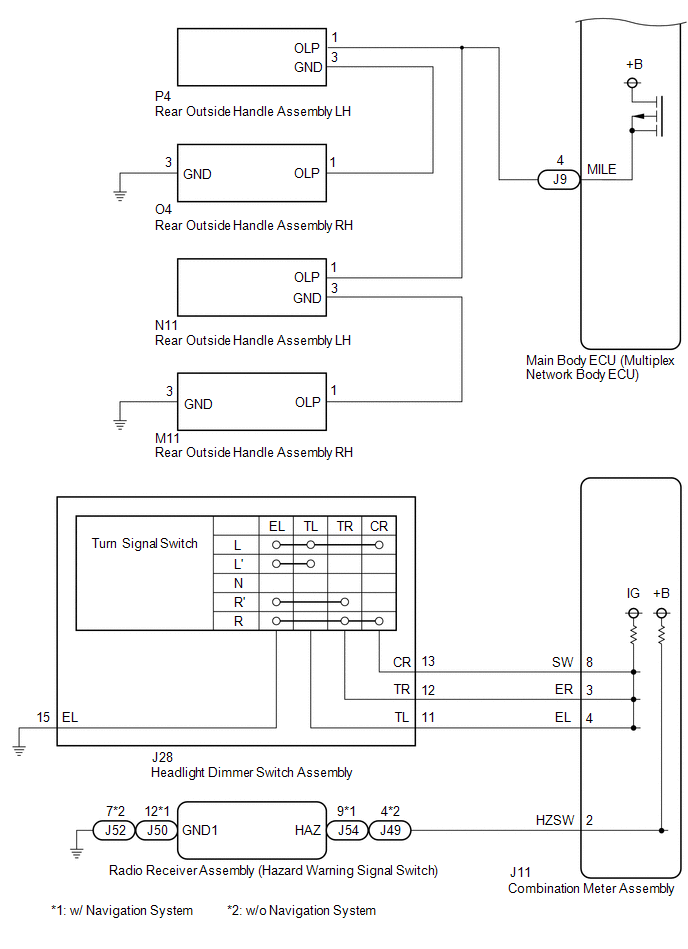
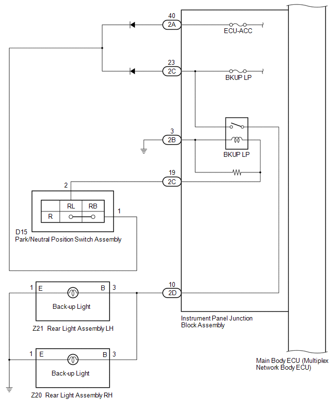
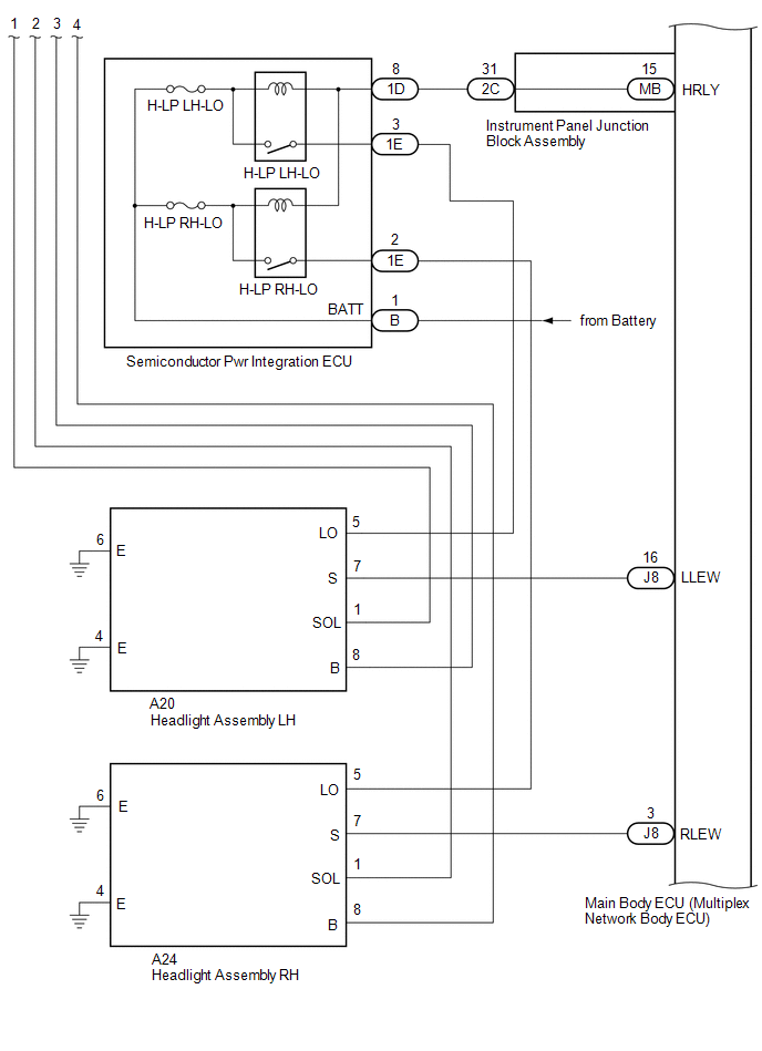
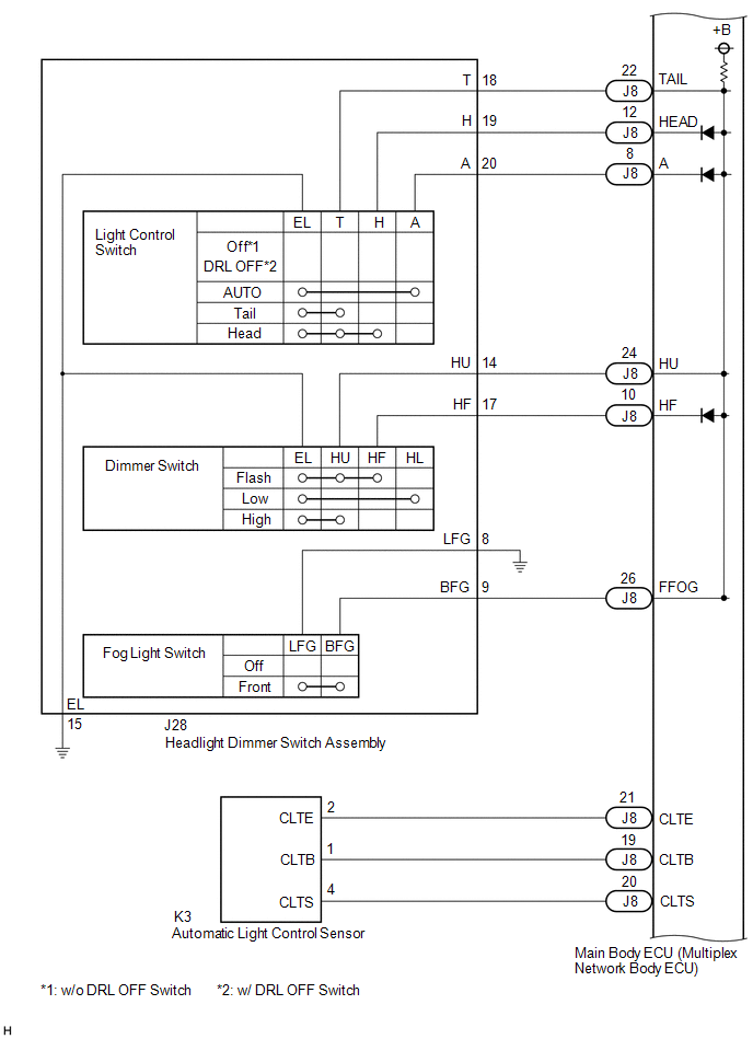
System Diagram [09/2015 - 08/2019]

GTY649796Courtesy of © TOYOTA, LICENSE AGREEMENT TMS1002
GTY627650Courtesy of © TOYOTA, LICENSE AGREEMENT TMS1002
GTY614791Courtesy of © TOYOTA, LICENSE AGREEMENT TMS1002
GTY665132Courtesy of © TOYOTA, LICENSE AGREEMENT TMS1002
GTY634044Courtesy of © TOYOTA, LICENSE AGREEMENT TMS1002
GTY661896Courtesy of © TOYOTA, LICENSE AGREEMENT TMS1002