LEMON Manuals: Even more car manuals for everyone: 1960-2025
Home >> Lexus >> 2021 >> RX 350 Base, AWD >> Repair and Diagnosis (Single Page) >> Accessories & Equipment >> Infotainment >> Navigation System - Diagnostics - Introduction (1 Of 2) >> Navigation System >> System Diagram [08/2016 - 12/2017] >> System Diagram [08/2016 - 12/2017]
April 5, 2026: LEMON Manuals is launched! Read the announcement.

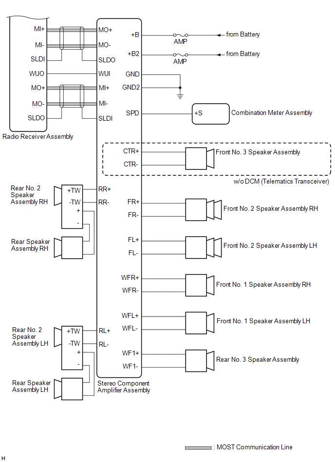
System Diagram [08/2016 - 12/2017]

GTY655974Courtesy of © TOYOTA, LICENSE AGREEMENT TMS1002
GTY658315Courtesy of © TOYOTA, LICENSE AGREEMENT TMS1002
GTY665313Courtesy of © TOYOTA, LICENSE AGREEMENT TMS1002
GTY669875Courtesy of © TOYOTA, LICENSE AGREEMENT TMS1002

w/ DCM (Telematics Transceiver) 

GTY628993Courtesy of © TOYOTA, LICENSE AGREEMENT TMS1002

w/o DCM (Telematics Transceiver) 

GTY646756Courtesy of © TOYOTA, LICENSE AGREEMENT TMS1002

w/ Rear Seat Entertainment System 

GTY616531Courtesy of © TOYOTA, LICENSE AGREEMENT TMS1002

for 9 Speakers 

GTY626771Courtesy of © TOYOTA, LICENSE AGREEMENT TMS1002

for 12 Speakers 

GTY640671Courtesy of © TOYOTA, LICENSE AGREEMENT TMS1002

for 15 Speakers 

GTY643126Courtesy of © TOYOTA, LICENSE AGREEMENT TMS1002