LEMON Manuals: Even more car manuals for everyone: 1960-2025
Home >> Lexus >> 2021 >> RX 350L AWD >> Repair and Diagnosis (Single Page) >> Engine Performance >> System >> Engine Control System - Diagnostics - Introduction (1 Of 5) >> SFI System >> System Diagram [09/2015 - 08/2019] >> System Diagram [09/2015 - 08/2019]
April 5, 2026: LEMON Manuals is launched! Read the announcement.

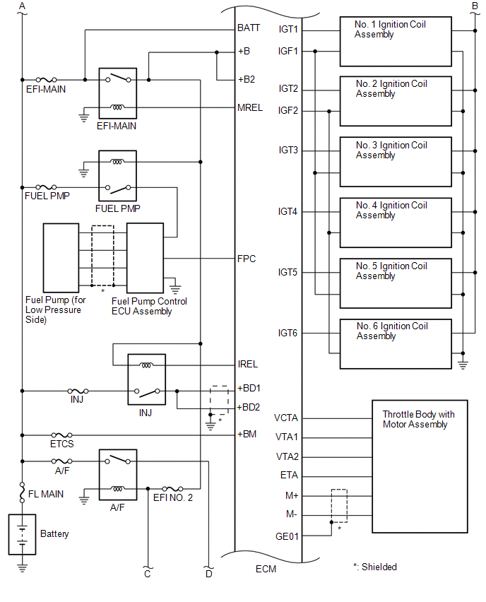
System Diagram [09/2015 - 08/2019]

GTY638364Courtesy of © TOYOTA, LICENSE AGREEMENT TMS1002
GTY630890Courtesy of © TOYOTA, LICENSE AGREEMENT TMS1002
GTY948681Courtesy of © TOYOTA, LICENSE AGREEMENT TMS1002
GTY629737Courtesy of © TOYOTA, LICENSE AGREEMENT TMS1002
GTY677761Courtesy of © TOYOTA, LICENSE AGREEMENT TMS1002