LEMON Manuals: Even more car manuals for everyone: 1960-2025
Home >> Lexus >> 2024 >> RC F Track Edition >> Repair and Diagnosis (Single Page) >> Engine Performance >> System >> Engine Control System - Diagnostics - Introduction (1 Of 8) >> SFI System >> System Diagram [11/2017 - 03/2019] >> System Diagram [11/2017 - 03/2019]
April 5, 2026: LEMON Manuals is launched! Read the announcement.

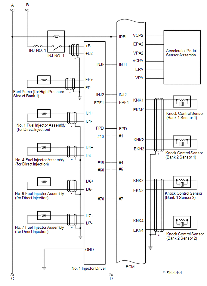
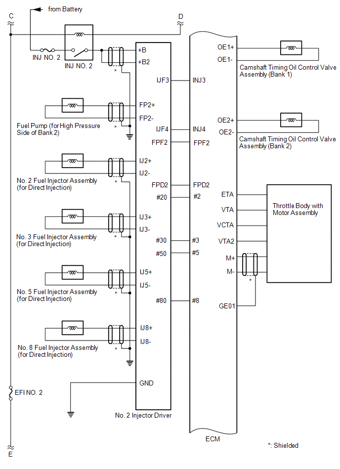
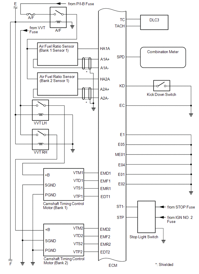
System Diagram [11/2017 - 03/2019]

GTY838468Courtesy of © TOYOTA, LICENSE AGREEMENT TMS1002
GTY513797Courtesy of © TOYOTA, LICENSE AGREEMENT TMS1002
GTY519799Courtesy of © TOYOTA, LICENSE AGREEMENT TMS1002
GTY504070Courtesy of © TOYOTA, LICENSE AGREEMENT TMS1002
GTY498265Courtesy of © TOYOTA, LICENSE AGREEMENT TMS1002
GTY515740Courtesy of © TOYOTA, LICENSE AGREEMENT TMS1002
GTY509922Courtesy of © TOYOTA, LICENSE AGREEMENT TMS1002