LEMON Manuals: Even more car manuals for everyone: 1960-2025
Home >> Lincoln >> 1975 >> Mark IV >> Repair and Diagnosis >> Body & Frame >> Windows >> Power Windows >> Testing >> Window Relay
April 5, 2026: LEMON Manuals is launched! Read the announcement.

Window Relay

With one test lamp lead connected to relay output side and ignition in "ON" or "ACC" position, test lamp should light. If lamp does not light, check continuity of wiring harness from ignition switch to actuating terminal on relay. Check voltage at input terminal. If wiring and voltage are good, replace relay.

Fig 1: POWER WINDOW SINGLE SWITCH PIN CONNECTIONS & NUMBERS
G09353658Courtesy of FORD MOTOR CO.
Fig 2: GRANADA, MONARCH, TORINO, MONTEGO, ELITE & COUGAR 2DR. POWER WINDOW WIRING
G09353659Courtesy of FORD MOTOR CO.
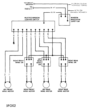
Fig 3: GRANADA, MONARCH, TORINO & MONTEGO 4DR. POWER WINDOW WIRING
G09353660Courtesy of FORD MOTOR CO.
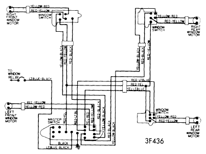
Fig 4: FORD & MERCURY POWER WINDOW WIRING
G09353661Courtesy of FORD MOTOR CO.
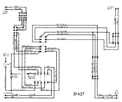
Fig 5: LINCOLN CONTINENTAL POWER WINDOW WIRING
G09353662Courtesy of FORD MOTOR CO.
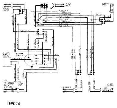
Fig 6: MARK IV & THUNDERBIRD POWER WINDOW WIRING
G09353663Courtesy of FORD MOTOR CO.