LEMON Manuals: Even more car manuals for everyone: 1960-2025
Home >> Lincoln >> 1998 >> Navigator RWD >> Repair and Diagnosis >> Body & Frame >> Power Windows >> Component Tests >> Power Window Single Switch
April 5, 2026: LEMON Manuals is launched! Read the announcement.

Power Window Single Switch

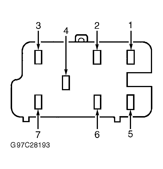
Remove suspect window switch. See POWER WINDOW SWITCH  under REMOVAL & INSTALLATION. Check for continuity between terminals as specified while operating switch. See SINGLE SWITCH TESTING table. If continuity does not exist as specified, replace switch. See Figure.

SINGLE SWITCH TESTING

Switch Position Continuity Between Terminals No.
Neutral 1 & 5; 2 & 3; 6 & 7
Up 4 & 6; 2 & 3
Down 3 & 4; 6 & 7