LEMON Manuals: Even more car manuals for everyone: 1960-2025
Home >> Lincoln >> 2004 >> Town Car Protection Series >> Repair and Diagnosis >> External Pages >> Different car >> Section 2011 (Module Communications Network) >> Diagnostic Tests >> Communications Network >> Pinpoint Tests >> Pinpoint Test B: The ABS module Does Not Respond To The Scan Tool >> Pinpoint Test B: The Abs Module Does Not Respond To The Scan Tool
April 5, 2026: LEMON Manuals is launched! Read the announcement.

Pinpoint Test B: The Abs Module Does Not Respond To The Scan Tool

WARNING: This page is about a different car, the 2008 Ford RV Cutaway, 2008 Ford Econoline, 2008 Ford E450 Super Duty, and 2008 Ford Cutaway. However, it is still accessible from the selected car via links, so may be relevant.
NOTE: Use the correct probe adapter(s) when making measurements. Failure to use the correct probe adapter(s) may damage the connector.
  1. B1 CHECK THE ABS MODULE VOLTAGE SUPPLY CIRCUIT FOR AN OPEN 
    • Key in OFF position.
    • Disconnect: ABS Module C135 (without stability control) or C155 (with stability control)
    • Key in ON position.
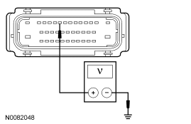
    • Fig 1: Measuring Voltage Between ABS Module C135-30, Circuit 640 (RD/YE)
      GF0044913Courtesy of FORD MOTOR CO.
    • For vehicles without stability control, measure the voltage between the ABS module C135-30, circuit 640 (RD/YE), harness side and ground.
    • Fig 2: Measuring Voltage Between ABS Module C155-32, Circuit 640 (RD/YE)
      GF0012960Courtesy of FORD MOTOR CO.
    • For vehicles with stability control, measure the voltage between the ABS module C155-32, circuit 640 (RD/YE), harness side and ground.
    • Is the voltage greater than 10 volts? 
    1. YES  : Go to  B3.
    2. NO  : For vehicles with stability control, go to  B2.

      For vehicles without stability control, VERIFY the central junction box (CJB) fuse 2 (10A) is OK. If OK, REPAIR the circuit. CLEAR the DTCs. REPEAT the network test with the scan tool. test with the scan tool.

  2. B2 CHECK FACTORY TEST CONNECTOR CIRCUIT FOR AN OPEN (WITH STABILITY CONTROL) 
    • Key in OFF position.
    • Disconnect: ABS Factory Test Connector C126
    • Key in ON position.
    • Fig 3: Checking Factory Test Connector Circuit For An Open (With Stability Control)
      GF0012961Courtesy of FORD MOTOR CO.
    • Measure the voltage between the ABS factory test connector C126-6, circuit 640 (RD/YE), harness side and ground.
    • Is the voltage greater than 10 volts? 
    1. YES  : REPAIR the circuit between the ABS factory test connector C126 -5 and the ABS module C155-32 or INSTALL a new connector jumper as needed.
    2. NO  : VERIFY the central junction box (CJB) fuse 2 (10A) is OK. If OK, REPAIR the circuit. CLEAR the DTCs. REPEAT the network test with the scan tool.
  3. B3 CHECK THE ABS MODULE GROUND CIRCUIT FOR AN OPEN 
      Fig 4: Checking ABS Module Ground Circuit For An Open - Without Stability Control
      GF0044914Courtesy of FORD MOTOR CO.
    • For vehicles without stability control, Measure the resistance between ABS module C135-13, circuit 530 (LG/YE), harness side and ground; measure the resistance between ABS module C135-38, circuit 530 (LG/YE), harness side and ground.
    • Fig 5: Checking ABS Module Ground Circuit For An Open - With Stability Control
      GF0044716Courtesy of FORD MOTOR CO.
    • For vehicles with stability control, Measure the resistance between ABS module C155-16, circuit 530 (LG/YE), harness side and ground; measure the resistance between ABS module C155-45, circuit 530 (LG/YE), harness side and ground.
    • Is the resistance less than 5 ohms? 
    1. YES  : For vehicles without stability control, go to  B4.

      For vehicles with stability control, go to  B5.

    2. NO  : REPAIR the circuit. CLEAR the DTCs. REPEAT the network test with the scan tool.
  4. B4 CHECK FOR AN OPEN IN THE CAN CIRCUITS BETWEEN THE DLC AND THE ABS MODULE (WITHOUT STABILITY CONTROL) 
    • Key in OFF position.
    • Fig 6: Measuring Resistance Between ABS module C135-5, Circuit VDB04 (WH/BU) & DLC C251-6
      GF0032341Courtesy of FORD MOTOR CO.
    • Measure the resistance between the ABS module C135-5, circuit 1827 (WH/LG), harness side and the DLC C251-6, circuit 1827 (WH/LG), harness side.
    • Fig 7: Measuring Resistance Between ABS module C135-6, Circuit VDB05 (WH) & DLC C251-14
      GF0032342Courtesy of FORD MOTOR CO.
    • Measure the resistance between the ABS module C135-6, circuit 1828 (PK/LG), harness side and the DLC C251-14, circuit 1828 (PK/LG), harness side.
    • Are the resistances less than 5 ohms? 
    1. YES  : Go to  B6.
    2. NO  : REPAIR the circuit in question. CLEAR the DTCs. REPEAT the network test with the scan tool.
  5. B5 CHECK FOR AN OPEN IN THE CAN CIRCUITS BETWEEN THE DLC AND THE ABS MODULE (WITH STABILITY CONTROL) 
    • Key in OFF position.
    • Fig 8: Measuring Resistance Between ABS Module C155-3, Circuit 1827 (WH/LG) & DLC C251-6
      GF0012963Courtesy of FORD MOTOR CO.
    • Measure the resistance between the ABS module C155-3, circuit 1827 (WH/LG), harness side and the DLC C251-6, circuit 1827 (WH/LG), harness side.
    • Fig 9: Measuring Resistance Between ABS Module C155-18, Circuit 1828 (PK/LG) & DLC C251-14
      GF0012964Courtesy of FORD MOTOR CO.
    • Measure the resistance between the ABS module C155-18, circuit 1828 (PK/LG), harness side and the DLC C251-14, circuit 1828 (PK/LG), harness side.
    • Are the resistances less than 5 ohms? 
    1. YES  : Go to  B6.
    2. NO  : REPAIR the circuit in question. CLEAR the DTCs. REPEAT the network test with the scan tool.
  6. B6 CHECK FOR CORRECT ABS MODULE OPERATION 
    • Disconnect the ABS module connector.
    • Check for:
      • corrosion
      • damaged pins
      • pushed-out pins
    • Connect the ABS module connector and make sure it seats correctly.
    • Operate the system and verify the concern is still present.
    • Is the concern still present? 
    1. YES  : INSTALL a new ABS module. REFER to VEHICLE DYNAMIC SYSTEMS article. CLEAR the DTCs. REPEAT the network test with the scan tool.
    2. NO  : The system is operating correctly at this time. The concern may have been caused by a loose or corroded connector. CLEAR the DTCs. REPEAT the network test with the scan tool.