LEMON Manuals: Even more car manuals for everyone: 1960-2025
Home >> Lincoln >> 2005 >> Aviator AWD >> Repair and Diagnosis (Single Page) >> Accessories & Equipment >> Communication Devices >> MULTIFUNCTION Electronic Control Modules >> Diagnosis And Testing >> Driver Seat Module (DSM) >> Pinpoint Tests >> Pinpoint Test A: No Communication With The Driver Seat Module (DSM) >> Pinpoint Test A: The Driver Seat Module (DSM) Does Not Respond To The Diagnostic Tool
April 5, 2026: LEMON Manuals is launched! Read the announcement.

Pinpoint Test A: The Driver Seat Module (DSM) Does Not Respond To The Diagnostic Tool

  1. A1 CHECK CIRCUIT 1003 (GY/YE) FOR VOLTAGE 
    • Key in OFF position.
    • Disconnect: DSM C341g.
    • Key in ON position.
    • Measure the voltage between the DSM C341g-1, circuit 1003 (GY/YE), harness side and ground.
      Fig 1: Measuring Voltage Between DSM C341g-1, Circuit 1003 (GY/YE), Harness Side And Ground
      G03860332Courtesy of FORD MOTOR CO.
    • Is the voltage greater than 10 volts? 
    1. Yes  : GO to A2.
    2. No  : REPAIR the circuit. CLEAR the DTCs. REPEAT the self-test. CARRY OUT the diagnostic tool data link test.
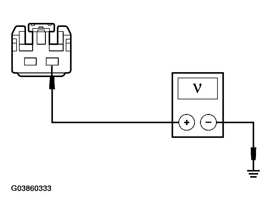
  2. A2 CHECK CIRCUIT 566 (DG) FOR VOLTAGE 
    • Key in OFF position.
    • Disconnect: DSM C341e.
    • Key in ON position.
    • Measure the voltage between the DSM C341e-1, circuit 566 (DG), harness side and ground.
      Fig 2: Measuring Voltage Between DSM C341e-1, Circuit 566 (DG), Harness Side And Ground
      G03860333Courtesy of FORD MOTOR CO.
    • Is the voltage greater than 10 volts? 
    1. Yes  : GO to A3.
    2. No  : REPAIR the circuit. CLEAR the DTCs. REPEAT the self-test. CARRY OUT the diagnostic tool data link test.
  3. A3 CHECK CIRCUIT 1205 (BK) FOR AN OPEN 
    • Key in OFF position.
    • Measure the resistance between the DSM C341e-2, circuit 1205 (BK), harness side and ground.
      Fig 3: Measuring Resistance Between DSM C341e-2, Circuit 1205 (BK), Harness Side And Ground
      G03860334Courtesy of FORD MOTOR CO.
    • Is the resistance less than 5 ohms? 
    1. Yes  : GO to A4.
    2. No  : REPAIR the circuit. CLEAR the DTCs. REPEAT the self-test. CARRY OUT the diagnostic tool data link test.
  4. A4 CHECK CIRCUIT 1203 (BK/LB) FOR AN OPEN 
    • Measure the resistance between the DSM C341g-6, circuit 1203 (BK/LB), harness side and ground.
      Fig 4: Measuring Resistance Between DSM C341g-6, Circuit 1203 (BK/LB), Harness Side And Ground
      G03860335Courtesy of FORD MOTOR CO.
    • Is the resistance less than 5 ohms? 
    1. Yes  : REFER to MODULE COMMUNICATIONS NETWORK to continue communication diagnosis.
    2. No  : REPAIR the circuit. CLEAR the DTCs. REPEAT the self-test. CARRY OUT the diagnostic tool data link test.