LEMON Manuals: Even more car manuals for everyone: 1960-2025
Home >> Lincoln >> 2005 >> LS 3.9 A >> Repair and Diagnosis >> External Pages >> Different car >> Section 542 (Module Communications Network System) >> Diagnosis And Testing >> Communications Network >> Pinpoint Tests >> Pinpoint Test H: The Audio/Audio Navigation Unit Does Not Respond To The Diagnostic Tool >> Pinpoint Test H: The Audio/Audio Navigation Unit Does Not Respond To The Diagnostic Tool
April 5, 2026: LEMON Manuals is launched! Read the announcement.

Pinpoint Test H: The Audio/Audio Navigation Unit Does Not Respond To The Diagnostic Tool

WARNING: This page is about a different car, the 2006 Mercury Montego, 2006 Ford Freestyle, and 2006 Ford Five Hundred. However, it is still accessible from the selected car via links, so may be relevant.
CAUTION: Use the correct probe adaptor(s) when making measurements. Failure to use the correct probe adaptor(s) may damage the connector.
  1. H1 CHECK THE AUDIO/AUDIO NAVIGATION UNIT C240C FOR DAMAGE 
    • Key in OFF position.
    • Disconnect: Audio/Audio Navigation Unit C240c.
    • Inspect the audio/audio navigation unit C240c for damage.
    • Is the audio unit C240c OK? 

    Yes:  GO to  H2.

    No:  REPAIR the audio/audio navigation unit C240c as necessary. CARRY OUT the data link diagnostics test.

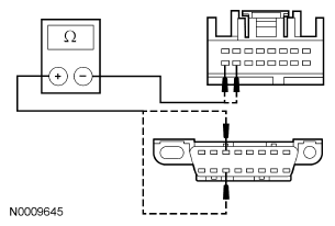
  2. H2 CHECK THE MEDIUM SPEED CAN CIRCUITS BETWEEN THE DLC AND THE AUDIO/AUDIO NAVIGATION UNIT FOR AN OPEN 
    • Key in OFF position.
    • Measure the resistance between the audio/audio navigation unit C240C-15, circuit 2180 (WH/BK), harness side and the DLC C251-3, circuit 2180 (WH/BK), harness side; and between the audio/audio navigation unit C240c-16, circuit 2181 (BK/YE), harness side and the DLC C251-11, circuit 2181 (BK/YE), harness side.
      Fig 1: Checking Medium Speed CAN Circuits Between DLC & Audio/Audio Navigation Unit
      G04658394Courtesy of FORD MOTOR CO.
    • Are the resistances less than 5 ohms? 

    Yes:  GO to  H3.

    No:  REPAIR the circuit in question. CLEAR the DTCs. REPEAT the self-test. CARRY OUT the data link diagnostics test.

  3. H3 CHECK FOR CORRECT AUDIO/AUDIO NAVIGATION UNIT OPERATION 
    • Disconnect all the audio/audio navigation unit connectors.
    • Check for:
      • corrosion
      • pushed-out pins
    • Connect all the audio/audio navigation unit connectors and make sure they seat correctly.
    • Operate the system and verify the concern is still present.
    • Is the concern still present? 

    Yes:  INSTALL a new audio/audio navigation unit. REFER to REMOVAL AND INSTALLATION . CLEAR the DTCs. REPEAT the self-test. CARRY OUT the data link diagnostics test.

    No:  The system is operating correctly at this time. The concern may have been caused by a loose or corroded connector. CLEAR the DTCs. REPEAT the self-test. CARRY OUT the data link diagnostics test.