LEMON Manuals: Even more car manuals for everyone: 1960-2025
Home >> Lincoln >> 2007 >> MKZ AWD >> Repair and Diagnosis >> External Pages >> Different car >> Section 1227 (Module Communications Network) >> Diagnosis And Testing >> Communications Network >> Pinpoint Test C: The IPC Does Not Respond To The Scan Tool >> Pinpoint Test L: The DC to DC Converter Control Module (DC/DC) Does Not Respond To The Scan Tool >> Pinpoint Test L: The Dc/Dc Does Not Respond To The Scan Tool
April 5, 2026: LEMON Manuals is launched! Read the announcement.

Pinpoint Test L: The Dc/Dc Does Not Respond To The Scan Tool

WARNING: This page is about a different car, the 2010 Mercury Milan, 2010 Lincoln MKZ, and 2010 Ford Fusion. However, it is still accessible from the selected car via links, so may be relevant.
NOTE: Failure to disconnect the battery when instructed will result in false resistance readings. Refer to BATTERY, MOUNTING AND CABLES .
  1. L1 CHECK THE DC/DC VOLTAGE SUPPLY CIRCUITS FOR AN OPEN 
    WARNING: To prevent the risk of high-voltage shock, always follow precisely all warnings and service instructions, including instructions to depower the system. The high-voltage hybrid system utilizes approximately 300 volts DC, provided through high-voltage cables to its components and modules. The high-voltage cables and wiring are identified by orange harness tape or orange wire covering. All high-voltage components are marked with high-voltage warning labels with a high-voltage symbol. Failure to follow these instructions may result in serious personal injury or death.
    WARNING: Always wear high-voltage insulated safety gloves with leather outer gloves and a face shield when servicing the battery pack sensor module (BPSM) and never remove the high-voltage BPSM connector unless directed by a service procedure. High voltage is present at the BPSM at all times, even with service disconnect plug removal  . Depowering the system will not  remove voltage from the BPSM connector with the orange harness. Follow all service instructions. Failure to follow these instructions may result in serious personal injury or death.
    • Ignition OFF.
    • Disconnect: DC/DC  C1457d.
    • Ignition ON.
    • Measure the voltage between the DC/DC  C1457d-7, circuit CBK03 (GY), harness side and ground.
      Fig 1: Measuring Voltage Between DC/DC C1457D-7, Circuit CBK03 (GY) Harness Side And Ground
      G06258974Courtesy of FORD MOTOR CO.
    • Are the voltages greater than 10 volts? 
    • Yes  : GO to  L2.
    • No  : VERIFY the Battery Junction Box (BJB) fuse 47 (10A) is OK. If OK, REPAIR the circuit in question. If not OK, REFER to the appropriate SYSTEM WIRING DIAGRAMS article to identify the possible causes of the circuit short. CLEAR the DTCs. REPEAT the network test with the scan tool.
  2. L2 CHECK THE DC/DC GROUNDS 
    • Ignition OFF.
    • Disconnect: Negative Battery Cable.
      NOTE: Do not disconnect the DC/DC  ground eyelet C1457c. The measurement is taken between the negative battery eyelet and chassis ground.
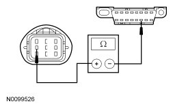
    • Measure the resistance between the DC/DC  C1457c-1, circuit GD108 (BK/VT), harness side and ground.
      Fig 2: Measuring Resistance Between DC/DC C1457c-1, Circuit GD108 (BK/VT), Harness Side And Ground
      G06258975Courtesy of FORD MOTOR CO.
    • Is the resistance less than 5 ohms? 
    • Yes  : GO to  L3.
    • No  : REPAIR the circuit in question. CONNECT the negative battery cable. CLEAR the DTCs. REPEAT the network test with the scan tool.
  3. L3 CHECK THE HS-CAN CIRCUITS BETWEEN THE DC/DC AND THE DLC FOR AN OPEN 
    • Measure the resistance between the DC/DC  C1457d-9, circuit VDB04 (WH/BU), harness side and the DLC  C251-6, circuit VDB04 (WH/BU), harness side.
      Fig 3: Checking HS-CAN Circuits Between DC/DC And DLC For An Open (1 Of 2)
      G06258976Courtesy of FORD MOTOR CO.
    • Measure the resistance between the DC/DC  C1457d-6, circuit VDB05 (WH), harness side and the DLC  C251-14, circuit VDB05 (WH), harness side.
      Fig 4: Checking HS-CAN Circuits Between DC/DC And DLC For An Open (2 Of 2)
      G06258977Courtesy of FORD MOTOR CO.
    • Are the resistances less than 5 ohms? 
    • Yes  : CONNECT the negative battery cable. GO to  L4.
    • No  : REPAIR the circuit in question. CONNECT the negative battery cable. CLEAR the DTCs. REPEAT the network test with the scan tool.
  4. L4 CHECK FOR CORRECT DC/DC OPERATION 
NOTE: Do not disconnect the high voltage cables or connectors in the following step.