LEMON Manuals: Even more car manuals for everyone: 1960-2025
Home >> Lincoln >> 2007 >> MKZ AWD >> Repair and Diagnosis >> External Pages >> Different car >> Section 1227 (Module Communications Network) >> Diagnosis And Testing >> Communications Network >> Pinpoint Test C: The IPC Does Not Respond To The Scan Tool >> Pinpoint Test P: The Global Positioning System Module (GPSM) Does Not Respond To The Scan Tool >> Pinpoint Test P: The GPSM Does Not Respond To The Scan Tool
April 5, 2026: LEMON Manuals is launched! Read the announcement.

Pinpoint Test P: The GPSM Does Not Respond To The Scan Tool

WARNING: This page is about a different car, the 2010 Mercury Milan, 2010 Lincoln MKZ, and 2010 Ford Fusion. However, it is still accessible from the selected car via links, so may be relevant.
NOTE: Use the correct probe adapter(s) when making measurements. Failure to use the correct probe adapter(s) may damage the connector.
NOTE: Failure to disconnect the battery when instructed will result in false resistance readings. Refer to BATTERY, MOUNTING AND CABLES .
  1. P1 CHECK THE GPSM VOLTAGE SUPPLY CIRCUIT FOR AN OPEN 
    • Ignition OFF.
    • Disconnect: GPSM  C2300.
    • Ignition ON.
    • Measure the voltage between the GPSM  C2300-1, circuit SBP14 (BN/RD), harness side and ground.
      Fig 1: Checking GPSM Voltage Supply Circuit For An Open
      G06258989Courtesy of FORD MOTOR CO.
    • Is the voltage greater than 10 volts? 
    • Yes  : GO to  P2.
    • No  : VERIFY the Smart Junction Box (SJB) fuse 14 (10A) is OK. If OK, REPAIR the circuit in question. If not OK, REFER to the appropriate SYSTEM WIRING DIAGRAMS article to identify the possible causes of the circuit short. CLEAR the DTCs. REPEAT the network test with the scan tool.
  2. P2 CHECK THE GPSM GROUND CIRCUIT FOR AN OPEN 
    • Ignition OFF.
    • Disconnect: Negative Battery Cable.
    • Measure the resistance between the GPSM  C2300-6, circuit GD116 (BK/VT), harness side and ground.
      Fig 2: Checking GPSM Ground Circuit For An Open
      G06258990Courtesy of FORD MOTOR CO.
    • Is the resistance less than 5 ohms? 
    • Yes  : GO to  P3.
    • No  : REPAIR the circuit. CONNECT the negative battery cable. CLEAR the DTCs. REPEAT the network test with the scan tool.
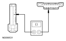
  3. P3 CHECK THE MS-CAN CIRCUITS BETWEEN THE GPSM AND THE DLC FOR AN OPEN 
    • Measure the resistance between the GPSM  C2300-2, circuit VDB06 (GY/OG), harness side and the Data Link Connector (DLC) C251-3, circuit VDB06 (GY/OG), harness side.
      Fig 3: Checking MS-CAN Circuits Between GPSM And DLC For An Open (1 Of 2)
      G06258991Courtesy of FORD MOTOR CO.
    • Measure the resistance between the GPSM  C2300-3, circuit VDB07 (VT/OG), harness side and the DLC  C251-11, circuit VDB07 (VT/OG), harness side.
      Fig 4: Checking MS-CAN Circuits Between GPSM And DLC For An Open (2 Of 2)
      G06258992Courtesy of FORD MOTOR CO.
    • Are the resistances less than 5 ohms? 
    • Yes  : CONNECT the negative battery cable. GO to  P4.
    • No  : REPAIR the circuit in question. CONNECT the negative battery cable. CLEAR the DTCs. REPEAT the network test with the scan tool.
  4. P4 CHECK FOR CORRECT GPSM OPERATION