LEMON Manuals: Even more car manuals for everyone: 1960-2025
Home >> Lincoln >> 2007 >> MKZ AWD >> Repair and Diagnosis >> External Pages >> Different car >> Section 1227 (Module Communications Network) >> Diagnosis And Testing >> Communications Network >> Pinpoint Test C: The IPC Does Not Respond To The Scan Tool >> Pinpoint Test T: The Parking Aid Module (PAM) Does Not Respond To The Scan Tool >> Pinpoint Test T: The PAM Does Not Respond To The Scan Tool
April 5, 2026: LEMON Manuals is launched! Read the announcement.

Pinpoint Test T: The PAM Does Not Respond To The Scan Tool

WARNING: This page is about a different car, the 2010 Mercury Milan, 2010 Lincoln MKZ, and 2010 Ford Fusion. However, it is still accessible from the selected car via links, so may be relevant.
NOTE: Use the correct probe adapter(s) when making measurements. Failure to use the correct probe adapter(s) may damage the connector.
NOTE: Failure to disconnect the battery when instructed will result in false resistance readings. Refer to BATTERY, MOUNTING AND CABLES .
  1. T1 CHECK THE PAM VOLTAGE SUPPLY CIRCUIT FOR AN OPEN 
    • Ignition OFF.
    • Disconnect: PAM  C4014.
    • Ignition ON.
    • Measure the voltage between the PAM  C4014-1, circuit CBP35 (YE/GY), harness side and ground.
      Fig 1: Measuring Voltage Between PAM C4014-1, Circuit CBP35 (YE/GY), Harness Side And Ground
      G06259005Courtesy of FORD MOTOR CO.
    • Is the voltage greater than 10 volts? 
    • Yes  : GO to  T2.
    • No  : VERIFY the Smart Junction Box (SJB) fuse 35 (10A) is OK. If OK, REPAIR the circuit. If not OK, REFER to the appropriate SYSTEM WIRING DIAGRAMS article to identify the possible causes of the short circuit. TEST the system for normal operation.
  2. T2 CHECK THE PAM GROUND CIRCUIT FOR AN OPEN 
    • Ignition OFF.
    • Disconnect: Negative Battery Cable.
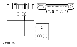
    • Measure the resistance between the PAM  C4014-4, circuit GD171 (BK/GY), harness side and ground.
      Fig 2: Measuring Resistance Between PAM C2023-4, Circuit GD114 (BK/BU), Harness Side And Ground
      G06259006Courtesy of FORD MOTOR CO.
    • Is the resistance less than 5 ohms? 
    • Yes  : GO to  T3.
    • No  : REPAIR the circuit. CONNECT the negative battery cable. TEST the system for normal operation.
  3. T3 CHECK THE MS-CAN CIRCUITS BETWEEN THE PAM AND THE DLC FOR AN OPEN 
    • Measure the resistance between the PAM  C4014-3, circuit VDB06 (GY/OG), harness side and the DLC  C251-3, circuit VDB06 (GY/OG), harness side.
      Fig 3: Checking MS-CAN Circuits Between PAM And DLC For An Open (1 Of 2)
      G06259007Courtesy of FORD MOTOR CO.
    • Measure the resistance between the PAM  C4014-11, circuit VDB07 (VT/OG), harness side and the DLC  C251-11, circuit VDB07 (VT/OG), harness side.
      Fig 4: Checking MS-CAN Circuits Between PAM And DLC For An Open (2 Of 2)
      G06259008Courtesy of FORD MOTOR CO.
    • Are the resistances less than 5 ohms? 
    • Yes  : CONNECT the negative battery cable. GO to  T4.
    • No  : REPAIR the circuit in question. CONNECT the negative battery cable. CLEAR the DTCs. REPEAT the network test with the scan tool.
  4. T4 CHECK FOR CORRECT PAM OPERATION 
    • Disconnect the PAM  connector.
    • Check for:
      • corrosion
      • damaged pins
      • pushed-out pins
    • Connect the PAM  connector and make sure it seats correctly.
    • Operate the system and verify the concern is still present.
    • Is the concern still present? 
    • Yes  : INSTALL a new PAM. REFER to PARKING AID . CLEAR the DTCs. REPEAT the network test with the scan tool.
    • No  : The system is operating correctly at this time. The concern may have been caused by a loose or corroded connector. CLEAR the DTCs. REPEAT the network test with the scan tool.