LEMON Manuals: Even more car manuals for everyone: 1960-2025
Home >> Lincoln >> 2008 >> MKZ AWD >> Repair and Diagnosis (Single Page) >> Accessories & Equipment >> Accessories Control Systems >> Component Testing >> Component testing >> Window control switch, passenger side - MKZ >> Window switch - Schematic
April 5, 2026: LEMON Manuals is launched! Read the announcement.

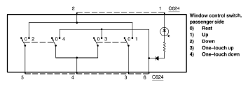
Window switch - Schematic

Fig 1: Window Control Switch, Passenger Side - MKZ - Schematic
G05604966Courtesy of FORD MOTOR CO.