LEMON Manuals: Even more car manuals for everyone: 1960-2025
Home >> Lincoln >> 2008 >> MKZ AWD >> Repair and Diagnosis >> External Pages >> Different car >> Section 1382 (Module Communications Network) >> Diagnostic Tests >> Communications Network >> Pinpoint Tests >> Pinpoint Test L: The Audio Digital Signal Processing (DSP) Module Does Not Respond To The Scan Tool >> Pinpoint Test L: Pinpoint Test L: The Audio Digital Signal Processing (DSP) Module Does Not Respond To The Scan Tool
April 5, 2026: LEMON Manuals is launched! Read the announcement.

Pinpoint Test L: Pinpoint Test L: The Audio Digital Signal Processing (DSP) Module Does Not Respond To The Scan Tool

WARNING: This page is about a different car, the 2009 Mercury Milan, 2009 Lincoln MKZ, and 2009 Ford Fusion. However, it is still accessible from the selected car via links, so may be relevant.
NOTE: Use the correct probe adapter(s) when making measurements. Failure to use the correct probe adapter(s) may damage the connector.
  1. L1 CHECK THE DSP MODULE VOLTAGE SUPPLY CIRCUITS FOR AN OPEN 
    • Key in OFF position.
    • Disconnect: DSP Module C4326b
    • Key in ON position.
    • Measure the voltage between the DSP module, harness side and ground as follows:
      Connector-Pin Circuit
      C4326b-9 SBB21 (GY/RD)
      C4326b-10 SBB21 (GY/RD)
      C4326b-11 SBB20 (GN/RD)
      C4326b-12 SBB20 (GN/RD)
    • Are the voltages greater than 10 volts? 
    1. YES  : Go to  L2.
    2. NO  : VERIFY the battery junction box (BJB) fuse 20 (20A) or fuse 21 (20A) are OK. If OK, REPAIR the circuit in question. CONNECT the PCM. CLEAR the DTCs. REPEAT the network test with the scan tool.
  2. L2 CHECK THE DSP MODULE GROUND CIRCUITS FOR AN OPEN 
    • Key in OFF position.
    • Measure the resistance between the DSP module amplifier, harness side and ground as follows:
      Connector-Pin Circuit
      C4326b-22 GD148 (BK/YE)
      C4326b-23 GD148 (BK/YE)
      C4326b-24 GD148 (BK/YE)
    • Are the resistances less than 5 ohms? 
    1. YES  : Go to  L3.
    2. NO  : REPAIR the circuit. CLEAR the DTCs. REPEAT the network test with the scan tool.
  3. L3 CHECK THE MS-CAN CIRCUITS BETWEEN THE DATA LINK CONNECTOR (DLC) AND THE DSP MODULE FOR AN OPEN 
    • Key in OFF position.
    • Disconnect: DSP Module C4326c
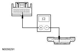
    • Fig 1: Measuring Resistance Between DSP Module C4326c-11, Circuit VDB06 (GY/OG) & DLC C251-3
      GF0023545Courtesy of FORD MOTOR CO.
    • Measure the resistance between the DSP module C4326c-11, circuit VDB06 (GY/OG), harness side and the DLC C251-3, circuit VDB06 (GY/OG), harness side.
    • Fig 2: Measuring Resistance Between DSP Module C4326c-12, Circuit VDB07 (VT/OG) & DLC C251-11
      GF0023546Courtesy of FORD MOTOR CO.
    • Measure the resistance between the DSP module C4326c-12, circuit VDB07 (VT/OG), harness side and the DLC C251-11, circuit VDB07 (VT/OG), harness side.
    • Are the resistances less than 5 ohms? 
    1. YES  : Go to  L4.
    2. NO  : REPAIR the circuit in question. CLEAR the DTCs. REPEAT the network test with the scan tool.
  4. L4 CHECK FOR CORRECT DSP MODULE OPERATION 
    • Disconnect all the DSP module connectors.
    • Check for:
      • corrosion
      • damaged pins
      • pushed-out pins
    • Connect all the DSP module connectors and make sure they seat correctly.
    • Operate the system and verify the concern is still present.
    • Is the concern still present? 
    1. YES  : INSTALL a new DSP module. REFER to INFORMATION AND ENTERTAINMENT SYSTEMS article. CLEAR the DTCs. REPEAT the network test with the scan tool.
    2. NO  : The system is operating correctly at this time. The concern may have been caused by a loose or corroded connector. CLEAR the DTCs. REPEAT the network test with the scan tool.