LEMON Manuals: Even more car manuals for everyone: 1960-2025
Home >> Lincoln >> 2008 >> MKZ AWD >> Repair and Diagnosis >> External Pages >> Different car >> Section 1492 (Module Communications Network) >> Diagnosis And Testing >> Communications Network >> Pinpoint Tests >> Pinpoint Test A: The PCM Does Not Respond To The Scan Tool >> Pinpoint Test A: The Pcm Does Not Respond To The Scan Tool
April 5, 2026: LEMON Manuals is launched! Read the announcement.

Pinpoint Test A: The Pcm Does Not Respond To The Scan Tool

WARNING: This page is about a different car, the 2010 Mercury Milan, 2010 Lincoln MKZ, and 2010 Ford Fusion. However, it is still accessible from the selected car via links, so may be relevant.
NOTE: Use the correct probe adapter(s) when making measurements. Failure to use the correct probe adapter(s) may damage the connector.
NOTE: Failure to disconnect the battery when instructed will result in false resistance readings. Refer to BATTERY, MOUNTING AND CABLES .
  1. A1 VERIFY WHETHER OTHER HS-CAN MODULES PASS THE NETWORK TEST 
    • Enter the following diagnostic mode on the scan tool: Network Test.
    • In the LH pane of the IDS  network test display screen, verify whether any HS-CAN  modules passed the network test.
    • Is the text "pass" or a DTC listed next to any of the following modules (if equipped): 4X4 control module, ABS module, ACCM (Hybrid only), Accessory Protocol Interface Module (APIM), Battery Energy Control Module (BECM) (Hybrid only), DC/DC (Hybrid only), Headlamp Control Module (HCM), Instrument Panel Cluster (IPC), Power Steering Control Module (PSCM), Restraints Control Module (RCM), Occupant Classification System Module (OCSM), PCM or Transmission Control Module (TCM)? 
    • Yes  : If "pass" or a DTC was listed next to the PCM, a network fault is not currently present. Go To PINPOINT TEST AE  to diagnose an intermittent HS-CAN  fault condition.

      If "pass" or a DTC was listed next to one or more modules other than the PCM, GO to  A2.

    • No  : No modules are currently communicating on the HS-CAN  . Go To PINPOINT TEST AD  to diagnose no HS-CAN  communication.
  2. A2 VERIFY THE PC/ED MANUAL PINPOINT TEST QA HAS BEEN CARRIED OUT 
    • Verify that the Powertrain Control/Emissions Diagnosis (PC/ED) manual pinpoint test QA has been carried out.
    • Has pinpoint test QA been carried out? 
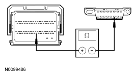
  3. A3 CHECK THE HS-CAN TERMINATION RESISTANCE 
    • Ignition OFF.
    • Disconnect: Negative Battery Cable.
    • Measure the resistance between the DLC C251-6, circuit VDB04 (WH/BU), harness side and the DLC C251-14, circuit VDB05 (WH), harness side.
      Fig 1: Checking HS-CAN Termination Resistance
      G06258913Courtesy of FORD MOTOR CO.
    • Is the resistance between 54 and 66 ohms? 
    • Yes  : CONNECT the negative battery cable. GO to  A7.
    • No  : For 2.5L gasoline and 3.0L engines, GO to  A4.

      For 3.5L engine, GO to  A5.

      For 2.5L hybrid engine, GO to  A6.

  4. A4 CHECK THE HS-CAN CIRCUITS BETWEEN THE PCM AND THE DLC FOR AN OPEN - 2.5L GAS AND 3.0L 
    • Disconnect: PCM C175b.
    • Measure the resistance between the PCM C175b-59, circuit VDB04 (WH/BU), harness side and the DLC C251-6, circuit VDB04 (WH/BU), harness side.
      Fig 2: Measuring Resistance Between PCM C175b-59, Circuit VDB04 (WH/BU) And DLC C251-6, Circuit VDB04 (WH/BU), Harness Side
      G06258914Courtesy of FORD MOTOR CO.
    • Measure the resistance between the PCM C175b-58, circuit VDB05 (WH), harness side and the DLC C251-14, circuit VDB05 (WH), harness side.
      Fig 3: Measuring Resistance Between PCM C175b-58, Circuit VDB05 (WH) And DLC C251-14, Circuit VDB05 (WH), Harness Side
      G06258915Courtesy of FORD MOTOR CO.
    • Are the resistances less than 5 ohms? 
      • Yes  : CONNECT the negative battery cable. GO to  A7.
      • No  : REPAIR the circuit in question. CONNECT the negative battery cable. CLEAR the DTCs. REPEAT the network test with the scan tool.
  5. A5 CHECK THE HS-CAN CIRCUITS BETWEEN THE PCM AND THE DLC FOR AN OPEN - 3.5L 
    • Disconnect: PCM C175b.
    • Measure the resistance between the PCM C175b-2, circuit VDB04 (WH/BU), harness side and the DLC C251-6, circuit VDB04 (WH/BU), harness side.
      Fig 4: Measuring Resistance Between PCM C175b-2, Circuit VDB04 (WH/BU) And DLC C251-6, Circuit VDB04 (WH/BU), Harness Side
      G06258916Courtesy of FORD MOTOR CO.
    • Measure the resistance between the PCM C175b-3, circuit VDB05 (WH), harness side and the DLC C251-14, circuit VDB05 (WH), harness side.
      Fig 5: Measuring Resistance Between PCM C175b-3, Circuit VDB05 (WH) And DLC C251-14, Circuit VDB05 (WH), Harness Side
      G06258917Courtesy of FORD MOTOR CO.
    • Are the resistances less than 5 ohms? 
    • Yes  : CONNECT the negative battery cable. GO to  A7.
    • No  : REPAIR the circuit in question. CONNECT the negative battery cable. CLEAR the DTCs. REPEAT the network test with the scan tool.
  6. A6 CHECK THE HS-CAN CIRCUITS BETWEEN THE PCM AND THE DLC FOR AN OPEN - 2.5L HYBRID 
    • Disconnect: PCM C175b.
    • Measure the resistance between the PCM C175b-59, circuit VDB04 (WH/BU), harness side and the DLC C251-6, circuit VDB04 (WH/BU), harness side.
      Fig 6: Measuring Resistance Between PCM C175b-59, Circuit VDB04 (WH/BU) And DLC C251-6, Circuit VDB04 (WH/BU), Harness Side
      G06258918Courtesy of FORD MOTOR CO.
    • Measure the resistance between the PCM C175b-43, circuit VDB05 (WH), harness side and the DLC C251-14, circuit VDB05 (WH), harness side.
      Fig 7: Measuring Resistance Between PCM C175b-43, Circuit VDB05 (WH) And DLC C251-14, Circuit VDB05 (WH), Harness Side
      G06258919Courtesy of FORD MOTOR CO.
    • Are the resistances less than 5 ohms? 
    • Yes  : CONNECT the negative battery cable. GO to  A7.
    • No  : REPAIR the circuit in question. CONNECT the negative battery cable. CLEAR the DTCs. REPEAT the network test with the scan tool.
  7. A7 CHECK FOR CORRECT PCM OPERATION