LEMON Manuals: Even more car manuals for everyone: 1960-2025
Home >> Lincoln >> 2009 >> MKZ AWD >> Repair and Diagnosis >> External Pages >> Different car >> Section 1370 (Module Communications Network) >> Diagnostic Tests >> Communications Network >> Pinpoint Tests >> Pinpoint Test G: The Driver Door Module (DDM) Does Not Respond To The Scan Tool
April 5, 2026: LEMON Manuals is launched! Read the announcement.

Pinpoint Test G: The Driver Door Module (DDM) Does Not Respond To The Scan Tool

WARNING: This page is about a different car, the 2009 Mercury Grand Marquis and 2009 Ford Crown Victoria. However, it is still accessible from the selected car via links, so may be relevant.

Refer to appropriate SYSTEM WIRING DIAGRAMS article, Module Communications Network for schematic and connector information.

Refer to appropriate SYSTEM WIRING DIAGRAMS article, Remote Keyless Entry and Alarm for schematic and connector information.

Normal Operation 

The DDM (if equipped) communicates with the scan tool through the standard corporate protocol (SCP) network. Circuits 914 (TN/OG) (SCP +) and 915 (PK/LB) (SCP-) provide the network connection to the DDM. The DDM shares the SCP network with the lighting control module (LCM), the heating ventilation air conditioning (HVAC) module (if equipped), the instrument cluster (IC) and the overhead console message center (MC) (if equipped). Voltage for the DDM is provided by circuit 1523 (DG). Circuit 676 (PK/OG) provides ground.

This pinpoint test is intended to diagnose the following:

PINPOINT TEST G: THE DRIVER DOOR MODULE (DDM) DOES NOT RESPOND TO THE SCAN TOOL 

NOTE: Use the correct probe adapter(s) when making measurements. Failure to use the correct probe adapter(s) may damage the connector.
  1. G1 CHECK THE DDM VOLTAGE SUPPLY CIRCUITS FOR AN OPEN 
    • Key in OFF position.
    • Disconnect: DDM C501b
    • Key in ON position.
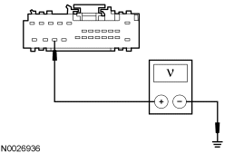
    • Fig 1: Checking Circuit For Open
      GF0014647Courtesy of FORD MOTOR CO.
    • Measure the voltage between the DDM C501b-22, circuit 1523 (DG), harness side and ground.
    • Is the voltage greater than 10 volts? 
    1. YES  : Go to  G2.
    2. NO  : VERIFY the central junction box (CJB) fuse 2 (7.5A) is OK. If OK, REPAIR the circuit. CLEAR the DTCs. REPEAT the network test with the scan tool.
  2. G2 CHECK THE DDM GROUND CIRCUIT FOR AN OPEN 
    • Key in OFF position.
    • Fig 2: Checking Circuit For Open
      GF0014648Courtesy of FORD MOTOR CO.
    • Measure the resistance between the DDM C501b-23, circuit 676 (PK/OG), harness side and ground.
    • Is the resistance less than 5 ohms? 
    1. YES  : Go to  G3.
    2. NO  : REPAIR the circuit. CLEAR the DTCs. REPEAT the network test with the scan tool.
  3. G3 CHECK THE SCP CIRCUITS BETWEEN THE DDM AND THE DATA LINK CONNECTOR (DLC) FOR AN OPEN 
    • Disconnect: DDM C501a
    • Fig 3: Checking Circuit For Open
      GF0014649Courtesy of FORD MOTOR CO.
    • Measure the resistance between the DDM C501a-1, circuit 914 (TN/OG), harness side and the DLC C251-2, circuit 914 (TN/OG), harness side.
    • Fig 4: Checking Circuit For Open
      GF0014650Courtesy of FORD MOTOR CO.
    • Measure the resistance between the DDM C501a-14, circuit 915 (PK/LB), harness side and the DLC C251-10, circuit 915 (PK/LB), harness side.
    • Are the resistances less than 5 ohms? 
    1. YES  : Go to  G4.
    2. NO  : REPAIR the circuit in question. CLEAR the DTCs. REPEAT the network test with the scan tool.
  4. G4 CHECK FOR CORRECT DDM OPERATION 
    • Disconnect all the DDM connectors.
    • Check for:
      • corrosion
      • damaged pins
      • pushed-out pins
    • Connect all the DDM connectors and make sure they seat correctly.
    • Operate the system and verify the concern is still present.
    • Is the concern still present? 
    1. YES  : INSTALL a new DDM. REFER to MULTIFUNCTION ELECTRONIC MODULES article. CLEAR the DTCs. REPEAT the network test with the scan tool.
    2. NO  : The system is operating correctly at this time. The concern may have been caused by a loose or corroded connector. CLEAR the DTCs. REPEAT the network test with the scan tool.