LEMON Manuals: Even more car manuals for everyone: 1960-2025
Home >> Lincoln >> 2011 >> MKZ Base, AWD >> Repair and Diagnosis >> External Pages >> Different car >> Section 1507 (Module Communications Network) >> Diagnosis And Testing >> Communications Network >> Pinpoint Tests >> Pinpoint Test AI: No Power To The Scan Tool >> Pinpoint Test Ai: No Power To The Scan Tool
April 5, 2026: LEMON Manuals is launched! Read the announcement.

Pinpoint Test Ai: No Power To The Scan Tool

WARNING: This page is about a different car, the 2011 Lincoln MKT. However, it is still accessible from the selected car via links, so may be relevant.
NOTE: Most faults are due to connector and/or wiring concerns. Carry out a thorough inspection and verification before proceeding with the Pinpoint Test.
NOTE: Failure to disconnect the battery when instructed will result in false resistance readings. Refer to BATTERY, BATTERY MOUNTING & BATTERY CABLES article.
  1. AI1 CHECK DLC PINS FOR DAMAGE 
    • Disconnect the scan tool cable from the DLC.
    • Inspect DLC pins 4, 5 and 16 for damage.
      Fig 1: Checking DLC Pins For Damage
      G06065572Courtesy of FORD MOTOR CO.
    • Are DLC pins 4, 5 and 16 OK? 
    1. Yes  : GO to AI2.
    2. No  : REPAIR the DLC as necessary. CLEAR the DTCs. REPEAT the network test with the scan tool.
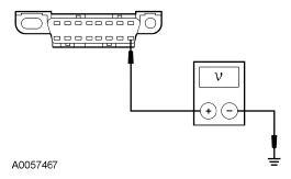
  2. AI2 CHECK THE VOLTAGE SUPPLY CIRCUIT TO THE DLC 
    • Measure the voltage between the DLC C251-16, circuit SBP20 (GN/RD), harness side and ground.
      Fig 2: Measuring Voltage Between DLC C251-16, Circuit SBP20 (GN/RD) And Ground
      G06065573Courtesy of FORD MOTOR CO.
    • Is the voltage greater than 10 volts? 
    1. Yes  : GO to AI3.
    2. No  : VERIFY the Smart Junction Box (SJB) fuse 20 (15A) is OK. If OK, REPAIR the circuit. If not OK, REFER to the SYSTEM WIRING DIAGRAMS article to identify the possible causes of the circuit short. REPEAT the network test with the scan tool.
  3. AI3 CHECK THE DLC GROUND CIRCUITS FOR AN OPEN 
    • Ignition OFF.
    • Disconnect: Negative Battery Cable.
    • Measure the resistance between the DLC C251-4, circuit GD114 (BK/BU) and C251-5, circuit GD114 (BK/BU), harness side and ground.
      Fig 3: Measuring Resistance Between DLC C251-4 And C251-5, Circuit GD114 (BK/BU), Harness Side And Ground
      G06075940Courtesy of FORD MOTOR CO.
    • Are the resistances less than 5 ohms? 
    1. Yes  : CONNECT the negative battery cable. REPAIR the scan tool. REPEAT the network test with the scan tool.
    2. No  : REPAIR the circuit in question. CONNECT the negative battery cable. REPEAT the network test with the scan tool.