LEMON Manuals: Even more car manuals for everyone: 1960-2025
Home >> Lincoln >> 2011 >> MKZ Base, AWD >> Repair and Diagnosis >> External Pages >> Different car >> Section 1507 (Module Communications Network) >> Diagnosis And Testing >> Communications Network >> Pinpoint Tests >> Pinpoint Test K: The Headlamp Control Module (HCM) Does Not Respond To The Scan Tool >> Pinpoint Test K: The HCM Does Not Respond To The Scan Tool
April 5, 2026: LEMON Manuals is launched! Read the announcement.

Pinpoint Test K: The HCM Does Not Respond To The Scan Tool

WARNING: This page is about a different car, the 2011 Lincoln MKT. However, it is still accessible from the selected car via links, so may be relevant.
NOTE: Use the correct probe adapter(s) when making measurements. Failure to use the correct probe adapter(s) may damage the connector.
  1. K1 CHECK THE HCM VOLTAGE SUPPLY CIRCUIT FOR AN OPEN 
    • Ignition OFF.
    • Disconnect: HCM C1600.
    • Ignition ON.
    • Measure the voltage between the HCM C1600-1, circuit CBP33 (WH/BN), harness side and ground.
      Fig 1: Measuring Voltage Between HCM C1600-1, Circuit CBP33 (WH/BN) And Ground
      G06075785Courtesy of FORD MOTOR CO.
    • Is the voltage greater than 10 volts? 
    1. Yes  : GO to K2.
    2. No  : VERIFY the Smart Junction Box (SJB) fuse 33 (10A) is OK. If OK, REPAIR the circuit. If not OK, REFER to the SYSTEM WIRING DIAGRAMS article to identify the possible causes of the circuit short. CLEAR the DTCs. REPEAT the network test with the scan tool.
  2. K2 CHECK THE HCM GROUND CIRCUIT FOR AN OPEN 
    • Ignition OFF.
    • Measure the resistance between the HCM C1600-25, circuit GD120 (BK/GN), harness side and ground.
      Fig 2: Measuring Resistance Between HCM C1600-25, Circuit GD120 (BK/GN) And Ground
      G06075786Courtesy of FORD MOTOR CO.
    • Is the resistance less than 5 ohms? 
    1. Yes  : GO to K3.
    2. No  : REPAIR the circuit. CLEAR the DTCs. REPEAT the network test with the scan tool.
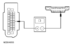
  3. K3 CHECK THE HS-CAN CIRCUITS BETWEEN THE HCM AND THE DLC FOR AN OPEN 
    • Measure the resistance between the HCM C1600-8, circuit VDB04 (WH/BU), harness side and the DLC C251-6, circuit VDB04 (WH/BU), harness side.
      Fig 3: Measuring Resistance Between HCM C1600-8, Circuit VDB04 (WH/BU) And DLC C251-6, Circuit VDB04 (WH/BU)
      G06075787Courtesy of FORD MOTOR CO.
    • Measure the resistance between the HCM C1600-7, circuit VDB05 (WH), harness side and the DLC C251-14, circuit VDB05 (WH), harness side.
      Fig 4: Measuring Resistance Between HCM C1600-7, Circuit VDB05 (WH) And DLC C251-14, Circuit VDB05 (WH)
      G06075788Courtesy of FORD MOTOR CO.
    • Are the resistances less than 5 ohms? 
    1. Yes  : GO to K4.
    2. No  : REPAIR the circuit. CLEAR the DTCs. REPEAT the network test with the scan tool.
  4. K4 CHECK FOR CORRECT HCM OPERATION 
    • Disconnect the HCM connector.
    • Check for:
      • corrosion
      • damaged pins
      • pushed-out pins
    • Connect the HCM connector and make sure it seats correctly.
    • Verify the concern is still present.
    • Is the concern still present? 
    1. Yes  : INSTALL a new HCM. REFER to EXTERIOR LIGHTING SYSTEM article. CLEAR the DTCs. REPEAT the network test with the scan tool.
    2. No  : The system is operating correctly at this time. The concern may have been caused by a loose or corroded connector.