LEMON Manuals: Even more car manuals for everyone: 1960-2025
Home >> Lincoln >> 2011 >> MKZ Base, AWD >> Repair and Diagnosis >> External Pages >> Different car >> Section 1507 (Module Communications Network) >> Diagnosis And Testing >> Communications Network >> Pinpoint Tests >> Pinpoint Test N: The Front Controls Interface Module (FCIM) Does Not Respond To The Scan Tool >> Pinpoint Test N: The FCIM Does Not Respond To The Scan Tool
April 5, 2026: LEMON Manuals is launched! Read the announcement.

Pinpoint Test N: The FCIM Does Not Respond To The Scan Tool

WARNING: This page is about a different car, the 2011 Lincoln MKT. However, it is still accessible from the selected car via links, so may be relevant.
NOTE: Use the correct probe adapter(s) when making measurements. Failure to use the correct probe adapter(s) may damage the connector.
  1. N1 CHECK THE FCIM VOLTAGE SUPPLY CIRCUIT FOR AN OPEN 
    • Ignition OFF.
    • Disconnect: FCIM C2403.
    • Ignition ON.
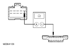
    • Measure the voltage between the FCIM C2403-5, circuit SBP15 (WH/RD), harness side and ground.
      Fig 1: Measuring Voltage Between FCIM C2403-5, Circuit SBP15 (WH/RD), Harness Side And Ground
      G06075562Courtesy of FORD MOTOR CO.
    • Is the voltage greater than 10 volts? 
    1. Yes  : GO to N2.
    2. No  : VERIFY the Smart Junction Box (SJB) fuse 15 (10A) is OK. If OK, REPAIR the circuit in question. If not OK, REFER to the SYSTEM WIRING DIAGRAMS article to identify the possible causes of the circuit short. CLEAR the DTCs. REPEAT the network test with the scan tool.
  2. N2 CHECK THE FCIM GROUND CIRCUIT FOR AN OPEN 
    • Ignition OFF.
    • Measure the resistance between the FCIM C2403-8, circuit GD114 (BK/BU), harness side and ground.
      Fig 2: Measuring Resistance Between FCIM C2403-8, Circuit GD114 (BK/BU), Harness Side And Ground
      G06075564Courtesy of FORD MOTOR CO.
    • Is the resistance less than 5 ohms? 
    1. Yes  : GO to N3.
    2. No  : REPAIR the circuit. CLEAR the DTCs. REPEAT the network test with the scan tool.
  3. N3 CHECK THE MS-CAN CIRCUITS BETWEEN THE FCIM AND THE DLC FOR AN OPEN 
    • Measure the resistance between the FCIM C2403-1, circuit VDB06 (GY/OG), harness side and the DLC C251-3, circuit VDB06 (GY/OG), harness side.
      Fig 3: Measuring Resistance Between FCIM C2403-1 And DLC C251-3, Circuit VDB06 (GY/OG), Harness Side
      G06075817Courtesy of FORD MOTOR CO.
    • Measure the resistance between the FCIM C2403-2, circuit VDB07 (VT/OG), harness side and the DLC C251-11, circuit VDB07 (VT/OG), harness side.
      Fig 4: Measuring Resistance Between FCIM C2403-2 And DLC C251-11, Circuit VDB07 (VT/OG), Harness Side
      G06075818Courtesy of FORD MOTOR CO.
    • Are the resistances less than 5 ohms? 
    1. Yes  : GO to N4.
    2. No  : REPAIR the circuit in question. CLEAR the DTCs. REPEAT the network test with the scan tool.
  4. N4 CHECK FOR CORRECT FCIM OPERATION 
    • Disconnect the FCIM connector.
    • Check for:
      • corrosion
      • damaged pins
      • pushed-out pins
    • Connect the FCIM connector and make sure it seats correctly.
    • Operate the system and verify the concern is still present.
    • Is the concern still present? 
    1. Yes  : INSTALL a new FCIM. REFER to INFORMATION SYSTEM AND ENTERTAINMENT SYSTEM article. CLEAR the DTCs. REPEAT the network test with the scan tool.
    2. No  : The system is operating correctly at this time. The concern may have been caused by a loose or corroded connector.