LEMON Manuals: Even more car manuals for everyone: 1960-2025
Home >> Lincoln >> 2012 >> MKS AWD V6-3.7L >> Repair and Diagnosis >> Powertrain Management >> Computers and Control Systems >> Information Bus >> Testing and Inspection >> Pinpoint Tests >> Pinpoint Test N: The Front Controls Interface Module (FCIM) Does Not Respond To The Scan Tool
April 5, 2026: LEMON Manuals is launched! Read the announcement.

Pinpoint Test N: The Front Controls Interface Module (FCIM) Does Not Respond To The Scan Tool




Communications Network

Pinpoint Test N: The Front Controls Interface Module (FCIM) Does Not Respond To The Scan Tool

Normal Operation

The Front Controls Interface Module (FCIM) communicates with the scan tool through the Medium Speed Controller Area Network (MS-CAN).

This pinpoint test is intended to diagnose the following:

- Fuse

- Wiring, terminals or connectors

- FCIM (Front Controls Interface Module)

PINPOINT TEST N : THE FCIM (Front Controls Interface Module) DOES NOT RESPOND TO THE SCAN TOOL

NOTICE: Use the correct probe adapter(s) when making measurements. Failure to use the correct probe adapter(s) may damage the connector.

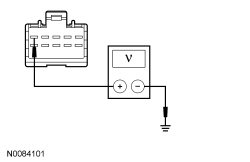
N1 CHECK THE FCIM (Front Controls Interface Module) VOLTAGE SUPPLY CIRCUIT FOR AN OPEN

- Ignition OFF.

- Disconnect: FCIM (Front Controls Interface Module) C2402 (Without Navigation ACM (Audio Control Module)) or C2403 (With Navigation ACM (Audio Control Module)).

- Ignition ON.

- Measure the voltage between the FCIM (Front Controls Interface Module) C2402-1, circuit SBP16 (VT/RD), harness side and ground.





- For vehicles with a navigation ACM (Audio Control Module), measure the voltage between the FCIM (Front Controls Interface Module) C2403-5, circuit SBP16 (VT/RD), harness side and ground.





Is the voltage greater than 10 volts?

Yes
GO to N2.

No
VERIFY the Smart Junction Box (SJB) fuse 16 (15A) is OK. If OK, REPAIR the circuit in question. If not OK, Refer to the Wiring Diagrams to identify the possible causes of the short circuit. CLEAR the DTCs. REPEAT the network test with the scan tool. Electrical Diagrams

N2 CHECK THE FCIM (Front Controls Interface Module) GROUND CIRCUIT FOR AN OPEN

- Ignition OFF.

- Measure the resistance between the FCIM (Front Controls Interface Module) C2402-4, circuit GD114 (BK/BU), harness side and ground.





- For vehicles with a navigation ACM (Audio Control Module), measure the resistance between the FCIM (Front Controls Interface Module) C2403-8, circuit GD114 (BK/BU), harness side and ground.





Is the resistance less than 5 ohms?

Yes
For vehicles without a navigation ACM (Audio Control Module), GO to N3.

For vehicles with a navigation ACM (Audio Control Module), GO to N4.

No
REPAIR the circuit. CLEAR the DTCs. REPEAT the network test with the scan tool.

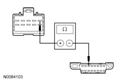
N3 CHECK THE MS-CAN (Medium Speed Controller Area Network) CIRCUITS BETWEEN THE FCIM (Front Controls Interface Module) AND THE DLC (Data Link Connector) FOR AN OPEN - WITHOUT A NAVIGATION ACM (Audio Control Module)

- Measure the resistance between the FCIM (Front Controls Interface Module) C2402-2, circuit VDB06 (GY/OG), harness side and the DLC (Data Link Connector) C251-3, circuit VDB06 (GY/OG), harness side.





- Measure the resistance between the FCIM (Front Controls Interface Module) C2402-3, circuit VDB07 (VT/OG), harness side and the DLC (Data Link Connector) C251-11, circuit VDB07 (VT/OG), harness side.





Are the resistances less than 5 ohms?

Yes
GO to N5.

No
REPAIR the circuit in question. CLEAR the DTCs. REPEAT the network test with the scan tool.

N4 CHECK THE MS-CAN (Medium Speed Controller Area Network) CIRCUITS BETWEEN THE FCIM (Front Controls Interface Module) AND THE DLC (Data Link Connector) FOR AN OPEN - WITH A NAVIGATION ACM (Audio Control Module)

- Measure the resistance between the FCIM (Front Controls Interface Module) C2403-1, circuit VDB06 (GY/OG), harness side and the DLC (Data Link Connector) C251-3, circuit VDB06 (GY/OG), harness side.





- Measure the resistance between the FCIM (Front Controls Interface Module) C2403-2, circuit VDB07 (VT/OG), harness side and the DLC (Data Link Connector) C251-11, circuit VDB07 (VT/OG), harness side.





Are the resistances less than 5 ohms?

Yes
GO to N5.

No
REPAIR the circuit in question. CLEAR the DTCs. REPEAT the network test with the scan tool.

N5 CHECK FOR CORRECT FCIM (Front Controls Interface Module) OPERATION

- Disconnect the FCIM (Front Controls Interface Module) connector.

- Check for:
- corrosion

- damaged pins

- pushed-out pins


- Connect the FCIM (Front Controls Interface Module) connector and make sure it seats correctly.

- Operate the system and verify the concern is still present.

Is the concern still present?

Yes
INSTALL a new FCIM (Front Controls Interface Module). CLEAR the DTCs. REPEAT the network test with the scan tool.

No
The system is operating correctly at this time. The concern may have been caused by a loose or corroded connector.