LEMON Manuals: Even more car manuals for everyone: 1960-2025
Home >> Lincoln >> 2012 >> MKS AWD V6-3.7L >> Repair and Diagnosis >> Powertrain Management >> Computers and Control Systems >> Information Bus >> Testing and Inspection >> Pinpoint Tests >> Pinpoint Test Z: The Accessory Protocol Interface Module (APIM) Does Not Respond To The Scan Tool
April 5, 2026: LEMON Manuals is launched! Read the announcement.

Pinpoint Test Z: The Accessory Protocol Interface Module (APIM) Does Not Respond To The Scan Tool




Communications Network

Pinpoint Test Z: The Accessory Protocol Interface Module (APIM) Does Not Respond To The Scan Tool

Normal Operation

The Accessory Protocol Interface Module (APIM) communicates with the scan tool and other network modules on the High Speed Controller Area Network (HS-CAN) and communicates with other network modules only on the Medium Speed Controller Area Network (MS-CAN).

This pinpoint test is intended to diagnose the following:

- Fuse

- Wiring, terminals or connectors

- APIM (Accessory Protocol Interface Module)

PINPOINT TEST Z : THE APIM (Accessory Protocol Interface Module) DOES NOT RESPOND TO THE SCAN TOOL

NOTICE: Use the correct probe adapter(s) when making measurements. Failure to use the correct probe adapter(s) may damage the connector.

NOTE: Failure to disconnect the battery when instructed will result in false resistance readings.

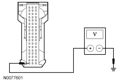
Z1 CHECK THE APIM (Accessory Protocol Interface Module) VOLTAGE SUPPLY CIRCUIT FOR AN OPEN

- Disconnect: APIM (Accessory Protocol Interface Module) C3342.

- Ignition ON.

- Measure the voltage between the APIM (Accessory Protocol Interface Module) C3342-1, circuit SBP14 (BN/RD), harness side and ground.





Is the voltage greater than 10 volts?

Yes
GO to Z2.

No
VERIFY the Smart Junction Box (SJB) fuse 14 (10A) is OK. If OK, REPAIR the circuit in question. If not OK, Refer to the Wiring Diagrams to identify the possible causes of the circuit short. CLEAR the DTCs. REPEAT the network test with the scan tool. Electrical Diagrams

Z2 CHECK THE APIM (Accessory Protocol Interface Module) GROUND CIRCUITS FOR AN OPEN

- Ignition OFF.

- Disconnect: Negative Battery Cable.

- Measure the resistance between the APIM (Accessory Protocol Interface Module) C3342-37, circuit GD114 (BK/BU), harness side and ground; and between the APIM (Accessory Protocol Interface Module) C3342-38, circuit GD114 (BK/BU), harness side and ground.





Are the resistances less than 5 ohms?

Yes
GO to Z3.

No
REPAIR the circuit. CONNECT the negative battery cable. CLEAR the DTCs. REPEAT the network test with the scan tool.

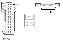
Z3 CHECK THE HS-CAN (High Speed Controller Area Network) CIRCUITS BETWEEN THE APIM (Accessory Protocol Interface Module) AND THE DLC (Data Link Connector) FOR AN OPEN

- Measure the resistance between the APIM (Accessory Protocol Interface Module) C3342-53, circuit VDB04 (WH/BU), harness side and the DLC (Data Link Connector) C251-6, circuit VDB04 (WH/BU), harness side.





- Measure the resistance between the APIM (Accessory Protocol Interface Module) C3342-54, circuit VDB05 (WH), harness side and the DLC (Data Link Connector) C251-14, circuit VDB05 (WH), harness side.





Are the resistances less than 5 ohms?

Yes
GO to Z4.

No
REPAIR the circuit in question. CONNECT the negative battery cable. CLEAR the DTCs. REPEAT the network test with the scan tool.

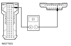
Z4 CHECK THE MS-CAN (Medium Speed Controller Area Network) CIRCUITS BETWEEN THE APIM (Accessory Protocol Interface Module) AND THE DLC (Data Link Connector) FOR AN OPEN

- Measure the resistance between the APIM (Accessory Protocol Interface Module) C3342-16, circuit VDB06 (GY/OG), harness side and the DLC (Data Link Connector) C251-3, circuit VDB06 (GY/OG), harness side.





- Measure the resistance between the APIM (Accessory Protocol Interface Module) C3342-17, circuit VDB07 (VT/OG), harness side and the DLC (Data Link Connector) C251-11, circuit VDB07 (VT/OG), harness side.





Are the resistances less than 5 ohms?

Yes
CONNECT the negative battery cable. GO to Z5.

No
REPAIR the circuit in question. CONNECT the negative battery cable. CLEAR the DTCs. REPEAT the network test with the scan tool.

Z5 CHECK FOR CORRECT APIM (Accessory Protocol Interface Module) OPERATION

- Disconnect the APIM (Accessory Protocol Interface Module) connector.

- Check for:
- corrosion

- damaged pins

- pushed-out pins


- Connect the APIM (Accessory Protocol Interface Module) connector and make sure it seats correctly.

- Operate the system and verify the concern is still present.

Is the concern still present?

Yes
INSTALL a new APIM (Accessory Protocol Interface Module). CLEAR the DTCs. REPEAT the network test with the scan tool.

No
The system is operating correctly at this time. The concern may have been caused by a loose or corroded connector.