LEMON Manuals: Even more car manuals for everyone: 1960-2025
Home >> Lincoln >> 2013 >> MKS Base, FWD >> Repair and Diagnosis >> External Pages >> Different car >> Section 10 (OEM Component Testing) >> Component Testing >> Master window control switch - Without door modules or rear power windows >> Schematic
April 5, 2026: LEMON Manuals is launched! Read the announcement.

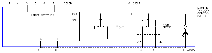
Master window control switch - Without door modules or rear power windows: Schematic

WARNING: This page is about a different car, the 2012 Ford Focus. However, it is still accessible from the selected car via links, so may be relevant.
Fig 1: Master Window Control Switch - Component Testing (Without Door Modules Or Rear Power Windows)
G07918194Courtesy of FORD MOTOR CO.