LEMON Manuals: Even more car manuals for everyone: 1960-2025
Home >> Lincoln >> 2013 >> MKS Base, FWD >> Repair and Diagnosis >> External Pages >> Different car >> Section 116 (Module Communications Network) >> Diagnosis And Testing >> Communications Network >> Pinpoint Tests >> Pinpoint Test A: The PCM Does Not Respond To The Scan Tool >> Pinpoint Test A: The Pcm Does Not Respond To The Scan Tool
April 5, 2026: LEMON Manuals is launched! Read the announcement.

Pinpoint Test A: The Pcm Does Not Respond To The Scan Tool

WARNING: This page is about a different car, the 2013 Ford F-550 Super Duty, 2013 Ford F-450 Super Duty, 2013 Ford F-350 Super Duty, and 2013 Ford F-250 Super Duty. However, it is still accessible from the selected car via links, so may be relevant.
NOTE: Use the correct probe adapter(s) when making measurements. Failure to use the correct probe adapter(s) may damage the connector.
NOTE: Failure to disconnect the battery when instructed will result in false resistance readings. Refer to BATTERY, MOUNTING AND CABLES .
  1. A1 VERIFY WHETHER OTHER HS-CAN MODULES PASS THE NETWORK TEST 
    • Enter the following diagnostic mode on the scan tool: Network Test.
    • In the LH pane of the Integrated Diagnostic System (IDS) network test display screen, verify whether any HS-CAN modules passed the network test.
    • Is the text "pass" or a DTC listed next to any of the following modules (if equipped): ABS module, Auxiliary Heater Control Module (AHCM), Accessory Protocol Interface Module (APIM), Body Control Module (BCM), Instrument Panel Cluster (IPC), Parking Aid Module (PAM), PCM, Restraints Control Module (RCM), Trailer Brake Control (TBC) module, Transfer Case Control Module (TCCM) or Transmission Control Module (TCM) (diesel only)? 
    1. Yes  : If "pass" or a DTC was listed next to the PCM, a network fault is not currently present.

      If "pass" or a DTC was listed next to one or more modules other than the PCM, GO to A2.

    2. No  : No modules are currently communicating on the HS-CAN. GO to PINPOINT TEST W .
  2. A2 VERIFY THE POWERTRAIN CONTROL/EMISSIONS DIAGNOSIS (PC/ED) ARTICLE PINPOINT TEST QA OR AE HAS BEEN CARRIED OUT 
    • Verify that pinpoint test QA (gasoline engine) or AE (diesel engine) has been carried out.
    • Has pinpoint test QA or AE been carried out? 
    1. Yes  : GO to A3.
    2. No  : REFER to the PINPOINT TEST QA: UNABLE TO ACTIVATE SELF-TEST/NETWORK COMMUNICATION ERROR , (gasoline engine) or PINPOINT TEST AE: UNABLE TO ACTIVATE SELF TEST/NETWORK COMMUNICATION ERROR (diesel engine) to diagnose no communication with the PCM.
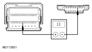
  3. A3 CHECK THE HS-CAN TERMINATION RESISTANCE 
    • Ignition OFF.
    • Disconnect: Negative Battery Cable.
    • Measure the resistance between the Data Link Connector (DLC) C251-6, circuit VDB04 (WH/BU), harness side and the DLC C251-14, circuit VDB05 (WH), harness side.
      Fig 1: Measuring Resistance Between Data Link Connector (DLC) C251-6, Circuit VDB04 (WH/BU) And DLC C251-14, Circuit VDB05 (WH)
      G06065430Courtesy of FORD MOTOR CO.
    • Is the resistance between 54 and 66 ohms? 
    1. Yes  : CONNECT the negative battery cable. GO to  A5.
    2. No  : GO to A4.
  4. A4 CHECK THE CAN CIRCUITS BETWEEN THE PCM AND THE DLC FOR AN OPEN 
    • Ignition OFF.
    • Disconnect: PCM C175B (Gasoline Engine) or C1232B (Diesel Engine).
    • For gasoline engines, measure the resistance between the PCM C175B-59, circuit VDB04 (WH/BU), harness side and the DLC C251-6, circuit VDB04 (WH/BU), harness side.
      Fig 2: Measuring Resistance Between PCM C175B-59, Circuit VDB04 (WH/BU) And DLC C251-6, Circuit VDB04 (WH/BU)
      G06099301Courtesy of FORD MOTOR CO.
    • For gasoline engines, measure the resistance between the PCM C175B-58, circuit VDB05 (WH), harness side and the DLC C251-14, circuit VDB05 (WH), harness side.
      Fig 3: Measuring Resistance Between PCM C175B-58, Circuit VDB05 (WH) DLC C251-14, Circuit VDB05 (WH)
      G06099302Courtesy of FORD MOTOR CO.
    • For diesel engines, measure the resistance between the PCM C1232B-59, circuit VDB04 (WH/BU), harness side and the DLC C251-6, circuit VDB04 (WH/BU), harness side.
      Fig 4: Measuring Resistance Between PCM C1232B-59, Circuit VDB04 (WH/BU) And DLC C251-6, Circuit VDB04 (WH/BU)
      G07974470Courtesy of FORD MOTOR CO.
    • For diesel engines, measure the resistance between the PCM C1232B-43, circuit VDB05 (WH), harness side and the DLC C251-14, circuit VDB05 (WH), harness side.
      Fig 5: Measuring Resistance Between PCM C1232B-43, Circuit VDB05 (WH) And DLC C251-14, Circuit VDB05 (WH), Harness Side
      G07974471Courtesy of FORD MOTOR CO.
    • Are the resistances less than 5 ohms? 
    1. Yes  : CONNECT the negative battery cable. GO to A5.
    2. No  : REPAIR the circuit in question. CLEAR the DTCs. REPEAT the network test with the scan tool.
  5. A5 CHECK FOR CORRECT PCM OPERATION 
    • Disconnect all the PCM connectors.
    • Check for:
      • corrosion
      • damaged pins
      • pushed-out pins
    • Connect all the PCM connectors and make sure they seat correctly.
    • Operate the system and verify the concern is still present.
    • Is the concern still present? 
    1. Yes  : INSTALL a new PCM. REFER to ELECTRONIC ENGINE CONTROLS - GASOLINE ENGINES or ELECTRONIC ENGINE CONTROLS - DIESEL ENGINES . CLEAR the DTCs. REPEAT the network test with the scan tool.
    2. No  : The system is operating correctly at this time. The concern may have been caused by a loose or corroded connector.