LEMON Manuals: Even more car manuals for everyone: 1960-2025
Home >> Lincoln >> 2013 >> MKS Base, FWD >> Repair and Diagnosis >> External Pages >> Different car >> Section 116 (Module Communications Network) >> Diagnosis And Testing >> Communications Network >> Pinpoint Tests >> Pinpoint Test J: The HVAC Module Does Not Respond To The Scan Tool >> Pinpoint Test J: The HVAC Module Does Not Respond To The Scan Tool
April 5, 2026: LEMON Manuals is launched! Read the announcement.

Pinpoint Test J: The HVAC Module Does Not Respond To The Scan Tool

WARNING: This page is about a different car, the 2013 Ford F-550 Super Duty, 2013 Ford F-450 Super Duty, 2013 Ford F-350 Super Duty, and 2013 Ford F-250 Super Duty. However, it is still accessible from the selected car via links, so may be relevant.
NOTE: Use the correct probe adapter(s) when making measurements. Failure to use the correct probe adapter(s) may damage the connector.
NOTE: Failure to disconnect the battery when instructed will result in false resistance readings. Refer to BATTERY, MOUNTING AND CABLES .
  1. J1 CHECK THE MS-CAN TERMINATION RESISTANCE 
    • Ignition OFF.
    • Disconnect: Negative Battery Cable.
    • Disconnect the scan tool cable from the DLC.
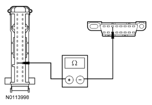
    • Measure the resistance between the DLC C251-3, circuit VDB06 (GY/OG), harness side and the DLC C251-11, circuit VDB07 (VT/OG), harness side.
      Fig 1: Measuring Resistance Between DLC C251-3, Circuit VDB06 (GY/OG) And DLC C251-11, Circuit VDB07 (VT/OG)
      G06065533Courtesy of FORD MOTOR CO.
    • Is the resistance between 54 and 66 ohms? 
    1. Yes  : CONNECT the negative battery cable. GO to  J4.
    2. No  : GO to J2.
  2. J2 CHECK THE MS-CAN (+) CIRCUITS BETWEEN THE HVAC MODULE AND THE DLC FOR AN OPEN 
    • Disconnect: HVAC module C294A (EMTC) or C228A (EATC).
    • For EMTC, measure the resistance between the HVAC module C294A-12 circuit VDB06 (GY/OG), harness side and the Data Link Connector (DLC) C251-3, circuit VDB06 (GY/OG), harness side.
      Fig 2: Measuring Resistance Between HVAC Module C294A-12 Circuit VDB06 (GY/OG) And Data Link Connector (DLC) C251-3, Circuit VDB06 (GY/OG)
      G07974510Courtesy of FORD MOTOR CO.
    • For EATC, measure the resistance between the HVAC module C228A-12 circuit VDB06 (GY/OG), and the DLC C251-11, circuit VDB06 (GY/OG), harness side.
      Fig 3: Measuring Resistance Between HVAC Module C228A-12 Circuit VDB06 (GY/OG), And DLC C251-11, Circuit VDB06 (GY/OG)
      G08602818Courtesy of FORD MOTOR CO.
    • Are the resistances less than 5 ohms? 
    1. Yes  : GO to J3.
    2. No  : REPAIR the circuit in question. CONNECT the negative battery cable. CLEAR the DTCs. REPEAT the network test with the scan tool.
  3. J3 CHECK THE MS-CAN (-) CIRCUITS BETWEEN THE HVAC MODULE AND THE DLC FOR AN OPEN 
    • For EMTC, measure the resistance between the HVAC module C294A-13 circuit VDB07 (VT/OG), harness side and the Data Link Connector (DLC) C251-11, circuit VDB07 (VT/OG), harness side.
      Fig 4: Measuring Resistance Between HVAC Module C294A-13 Circuit VDB07 (VT/OG) And Data Link Connector (DLC) C251-11, Circuit VDB07 (VT/OG)
      G07974510Courtesy of FORD MOTOR CO.
    • For EATC, measure the resistance between the HVAC module C228A-13 circuit VDB07 (VT/OG), and the DLC C251-11, circuit VDB07 (VT/OG), harness side.
      Fig 5: Measuring Resistance Between HVAC Module C228A-13 Circuit VDB07 (VT/OG) And DLC C251-11, Circuit VDB07 (VT/OG)
      G08602820Courtesy of FORD MOTOR CO.
    • Are the resistances less than 5 ohms? 
    1. Yes  : CONNECT the negative battery cable. GO to  J6.
    2. No  : REPAIR the circuit in question. CONNECT the negative battery cable. CLEAR the DTCs. REPEAT the network test with the scan tool.
  4. J4 CHECK THE HVAC MODULE VOLTAGE SUPPLY CIRCUITS FOR AN OPEN 
    • Ignition ON.
    • For EMTC, measure the voltage between the HVAC module C294A-32, circuit SBP46 (BN/RD), harness side and ground.
      Fig 6: Measuring Voltage Between HVAC Module C294A-32, Circuit SBP46 (BN/RD) And Ground
      G07974508Courtesy of FORD MOTOR CO.
    • For EATC, measure the voltage between the HVAC module C228A-26, circuit SBP46 (BN/RD), harness side and ground.
      Fig 7: Measuring Voltage Between HVAC Module C228A-26, Circuit SBP46 (BN/RD) And Ground
      G08602822Courtesy of FORD MOTOR CO.
    • Is the voltage greater than 10 volts? 
    1. Yes  : GO to J5.
    2. No  : VERIFY the Body Control Module (BCM) fuse 46 (10A) is OK. If OK, REPAIR the circuit in question. If not OK, REFER to the OEM ELECTRICAL WIRING DIAGRAM INTRODUCTION to identify the possible causes of the circuit short. CLEAR the DTCs. REPEAT the network test with the scan tool.
  5. J5 CHECK THE HVAC MODULE GROUND CIRCUIT FOR AN OPEN 
    • Ignition OFF.
    • Disconnect: Negative Battery Cable.
    • For EMTC, measure the resistance between the HVAC module C294A-10 circuit GD184 (BK/GY), harness side and ground.
      Fig 8: Measuring Resistance Between HVAC Module C294A-10 Circuit GD184 (BK/GY) And Ground
      G07974509Courtesy of FORD MOTOR CO.
    • For EATC, measure the resistance between the HVAC module C228A-10, circuit GD184 (BK/GY), harness side and ground.
      Fig 9: Measuring Resistance Between HVAC Module C228A-10, Circuit GD184 (BK/GY) And Ground
      G08602824Courtesy of FORD MOTOR CO.
    • Is the resistance less than 5 ohms? 
    1. Yes  : GO to J6.
    2. No  : REPAIR the circuit. CONNECT the negative battery cable. CLEAR the DTCs. REPEAT the network test with the scan tool.
  6. J6 CHECK FOR CORRECT HVAC MODULE OPERATION 
    • Disconnect all the HVAC module connectors.
    • Check for:
      • corrosion
      • damaged pins
      • pushed-out pins
    • Connect all the HVAC module connectors and make sure they seat correctly.
    • Operate the system and verify the concern is still present.
    • Is the concern still present? 
    1. Yes  : INSTALL a new HVAC module. REFER to CLIMATE CONTROL . CLEAR the DTCs. REPEAT the network test with the scan tool.
    2. No  : The system is operating correctly at this time. The concern may have been caused by a loose or corroded connector.