LEMON Manuals: Even more car manuals for everyone: 1960-2025
Home >> Lincoln >> 2013 >> MKX AWD >> Repair and Diagnosis >> External Pages >> Different car >> Section 247 (Module Communications Network) >> Diagnosis And Testing >> Communications Network >> Pinpoint Tests >> Pinpoint Test I: The Body Control Module (BCM) Does Not Respond To The Scan Tool >> Pinpoint Test I: The BCM Does Not Respond To The Scan Tool
April 5, 2026: LEMON Manuals is launched! Read the announcement.

Pinpoint Test I: The BCM Does Not Respond To The Scan Tool

WARNING: This page is about a different car, the 2014 Lincoln MKX and 2014 Ford Edge. However, it is still accessible from the selected car via links, so may be relevant.
NOTE: Use the correct probe adapter(s) when making measurements. Failure to use the correct probe adapter(s) may damage the connector.
NOTE: Failure to disconnect the battery when instructed results in false resistance readings. Refer to BATTERY, MOUNTING AND CABLES .
  1. I1 CHECK THE HS-CAN TERMINATION RESISTANCE 
    • Ignition OFF.
    • Disconnect: Negative Battery Cable.
    • Disconnect the scan tool cable from the Data Link Connector (DLC).
    • Measure the resistance between the DLC C251-6  , circuit VDB04 (WH/BU), harness side and the DLC C251-14  , circuit VDB05 (WH), harness side.
      Fig 1: Measuring Resistance Between DLC C251-6 And DLC C251-14
      G06183965Courtesy of FORD MOTOR CO.

      Is the resistance between 54 and 66 ohms? 

      1. Yes  : Visually inspect BCM  fuse 18 (10A). If OK, GO to  I2. If not OK, REFER to the SYSTEM WIRING DIAGRAMS to identify the possible causes of the circuit short. CLEAR the DTCs. REPEAT the network test with the scan tool. CONNECT the negative battery cable.
      2. No  : GO to  I3.
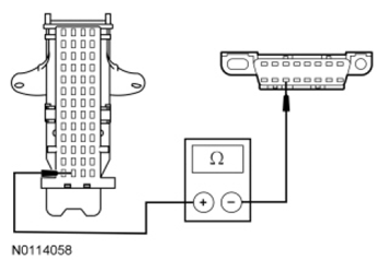
  2. I2 CHECK THE BCM GROUND CIRCUIT FOR AN OPEN 
    • Disconnect: BCM C2280D  .
    • Measure the resistance between the BCM C2280D-25  , circuit GD133 (BK) harness side and ground.
      Fig 2: Measuring Resistance Between BCM C2280D-25, Circuit GD133 (BK) Harness Side And Ground
      G07406244Courtesy of FORD MOTOR CO.

      Is the resistance less than 5 ohms? 

      1. Yes  : GO to  I3.
      2. No  : REPAIR the circuit. CONNECT the negative battery cable. CLEAR the DTCs. REPEAT the network test with the scan tool.
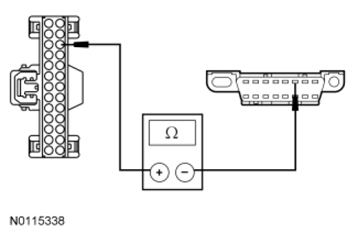
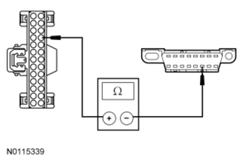
  3. I3 CHECK THE HS-CAN  CIRCUITS BETWEEN THE BCM  AND THE DLC FOR AN OPEN 
    • Disconnect: BCM C2280F  .
    • Measure the resistance between the BCM C2280F-16  , circuit VDB04 (WH/BU), harness side and the Data Link Connector (DLC) C251-6  , circuit VDB04 (WH/BU), harness side.
    Fig 3: Measuring Resistance Between BCM C2280F-16, Circuit VDB04 (WH/BU) And Data Link Connector C251-6, Circuit VDB04 (WH/BU), Harness Side
    G07406245Courtesy of FORD MOTOR CO.
    • Measure the resistance between the BCM C2280F-17  , circuit VDB05 (WH), harness side and the DLC C251-14  , circuit VDB05 (WH), harness side.
      Fig 4: Measuring Resistance Between BCM C2280F-17, Circuit VDB05 (WH) And DLC C251-14, Circuit VDB05 (WH), Harness Side
      G07406246Courtesy of FORD MOTOR CO.

      Are the resistances less than 5 ohms? 

      1. Yes  : GO to  I4.
      2. No  : REPAIR the circuit in question. CONNECT the negative battery cable. CLEAR the DTCs. REPEAT the network test with the scan tool.
  4. I4 CHECK THE MS-CAN  CIRCUITS BETWEEN THE BCM  AND THE DLC FOR AN OPEN 
    • Measure the resistance between the BCM C2280B-38  , circuit VDB06 (GY/OG), harness side and the Data Link Connector (DLC) C251-3  , circuit VDB06 (GY/OG), harness side.
      Fig 5: Measuring Resistance Between BCM C2280B-38, Circuit VDB06 (GY/OG) And Data Link Connector C251-3, Circuit VDB06 (GY/OG), Harness Side
      G07406247Courtesy of FORD MOTOR CO.
    • Measure the resistance between the BCM C2280B-39  , circuit VDB07 (VT/OG), harness side and the DLC C251-11  , circuit VDB07 (VT/OG), harness side.
      Fig 6: Measuring Resistance Between BCM C2280B-39, Circuit VDB07 (VT/OG) And DLC C251-11, Circuit VDB07 (VT/OG), Harness Side
      G07406248Courtesy of FORD MOTOR CO.

      Are the resistances less than 5 ohms? 

      1. Yes  : CONNECT the negative battery cable. GO to  I5.
      2. No  : REPAIR the circuit in question in question. CONNECT the negative battery cable.

        CLEAR the DTCs. REPEAT the network test with the scan tool.

  5. I5 CHECK FOR CORRECT BCM OPERATION 
    • Disconnect all the BCM  connectors.
    • Check for:
      • corrosion
      • damaged pins
      • pushed-out pins
    • Connect all the BCM  connectors and make sure they are seated correctly.
    • Operate the system and verify the concern is still present.

      Is the concern still present? 

      1. Yes  : INSTALL a new BCM  . REFER to MULTIFUNCTION ELECTRONIC MODULES . CLEAR the DTCs. REPEAT the network test with the scan tool.
      2. No  : The system is operating correctly at this time. The concern may have been caused by a loose or corroded connector.