LEMON Manuals: Even more car manuals for everyone: 1960-2025
Home >> Lincoln >> 2013 >> MKX AWD >> Repair and Diagnosis >> External Pages >> Different car >> Section 247 (Module Communications Network) >> Diagnosis And Testing >> Communications Network >> Pinpoint Tests >> Pinpoint Test K: The Audio Front Control Module (ACM) Does Not Respond To The Scan Tool >> Pinpoint Test K: The ACM Does Not Respond To The Scan Tool
April 5, 2026: LEMON Manuals is launched! Read the announcement.

Pinpoint Test K: The ACM Does Not Respond To The Scan Tool

WARNING: This page is about a different car, the 2014 Lincoln MKX and 2014 Ford Edge. However, it is still accessible from the selected car via links, so may be relevant.
NOTE: Use the correct probe adapter(s) when making measurements. Failure to use the correct probe adapter(s) may damage the connector.
NOTE: Failure to disconnect the battery when instructed results in false resistance readings. Refer to BATTERY, MOUNTING AND CABLES .
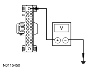
  1. K1 CHECK THE ACM VOLTAGE SUPPLY CIRCUIT FOR AN OPEN 
    • Ignition OFF.
    • Disconnect: ACM C240A  .
    • Ignition ON.
    • Measure the voltage between the ACM C240A-1  , circuit SBP29 (GY/RD), harness side and ground.
      Fig 1: Measuring Voltage Between ACM C240A-1, Circuit SBP29 (GY/RD), Harness Side And Ground
      G07406253Courtesy of FORD MOTOR CO.

      Are the voltages greater than 10 volts? 

      1. Yes  : GO to  K2.
      2. No  : VERIFY the Body Control Module (BCM) fuse 29 (20A) is OK. If OK, REPAIR the circuit. If not OK, REFER to the SYSTEM WIRING DIAGRAMS to identify the possible causes of the circuit short. CLEAR the DTCs. REPEAT the network test with the scan tool.
  2. K2 CHECK THE ACM GROUND CIRCUIT FOR AN OPEN 
    • Ignition OFF.
    • Disconnect: Negative Battery Cable.
    • Measure the resistance between the ACM C240A-13  , circuit GD114 (BK/BU), harness side and ground.
      Fig 2: Measuring Resistance Between ACM C240A-13, Circuit GD114 (BK/BU), Harness Side And Ground
      G06937598Courtesy of FORD MOTOR CO.

      Is the resistance less than 5 ohms? 

      1. Yes  : GO to  K3.
      2. No  : REPAIR the circuit. CONNECT the negative battery cable. CLEAR the DTCs. REPEAT the network test with the scan tool.
  3. K3 CHECK THE I-CAN  CIRCUITS BETWEEN THE ACM  AND THE IPC FOR AN OPEN 
    • Disconnect: IPC C220  .
    • Measure the resistance between the ACM C240A-14  , circuit VDB13 (BU/GY), harness side and the IPC C220-25  , circuit VDB13 (BU/GY), harness side.
      Fig 3: Measuring Resistance Between ACM C240A-14, Circuit VDB13 (BU/GY) And IPC C220-25, Circuit VDB13 (BU/GY), Harness Side
      G09298197Courtesy of FORD MOTOR CO.
    • Measure the resistance between the ACM C240A-15  , circuit VDB14 (VT/GY), harness side and the IPC C220-26  , circuit VDB14 (VT/GY), harness side.
      Fig 4: Measuring Resistance Between ACM C240A-15, Circuit VDB14 (VT/GY) And IPC C220-26, Circuit VDB14 (VT/GY), Harness Side
      G09298198Courtesy of FORD MOTOR CO.

      Are the resistances less than 5 ohms? 

      1. Yes  : CONNECT the negative battery cable. GO to  K4.
      2. No  : REPAIR the circuit in question. CONNECT the negative battery cable. CLEAR the DTCs. REPEAT the network test with the scan tool.
  4. K4 CHECK FOR CORRECT ACM OPERATION 
    • Disconnect all the ACM  connectors.
    • Check for:
      • corrosion
      • damaged pins
      • pushed-out pins
    • Connect all the ACM  connectors and make sure they are seated correctly.
    • Operate the system and verify the concern is still present.

      Is the concern still present? 

      1. Yes  : INSTALL a new ACM  . REFER to INFORMATION AND ENTERTAINMENT SYSTEMS . CLEAR the DTCs. REPEAT the network test with the scan tool. TEST the system for normal operation.
      2. No  : The system is operating correctly at this time. The concern may have been caused by a loose or corroded connector. CLEAR the DTCs. REPEAT the network test with the scan tool.