LEMON Manuals: Even more car manuals for everyone: 1960-2025
Home >> Lincoln >> 2013 >> MKX AWD >> Repair and Diagnosis >> External Pages >> Different car >> Section 247 (Module Communications Network) >> Diagnosis And Testing >> Communications Network >> Pinpoint Tests >> Pinpoint Test N: The Liftgate/Trunk Module (LTM) Does Not Respond To The Scan Tool >> Pinpoint Test N: The LTM Does Not Respond To The Scan Tool
April 5, 2026: LEMON Manuals is launched! Read the announcement.

Pinpoint Test N: The LTM Does Not Respond To The Scan Tool

WARNING: This page is about a different car, the 2014 Lincoln MKX and 2014 Ford Edge. However, it is still accessible from the selected car via links, so may be relevant.
NOTE: Use the correct probe adapter(s) when making measurements. Failure to use the correct probe adapter(s) may damage the connector.
NOTE: Failure to disconnect the battery when instructed results in false resistance readings. Refer to BATTERY, MOUNTING AND CABLES .
  1. N1 CHECK THE LTM VOLTAGE SUPPLY CIRCUITS FOR AN OPEN 
    • Ignition OFF.
    • Disconnect: LTM C4174A  .
    • Ignition ON.
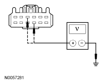
    • Measure the voltage between the LTM C4174A-4  , circuit SBB07 (WH/RD), harness side and ground; and between the LTM C4174A-9  , circuit SBP09 (RD), harness side and ground.
      Fig 1: Measuring Voltage Between LTM C4171A-4, Circuit SBB07 (WH/RD), Harness Side And Ground
      G06065459Courtesy of FORD MOTOR CO.

      Are the voltages greater than 10 volts? 

      1. Yes  : GO to  N2.
      2. No  : VERIFY the Battery Junction Box (BJB) fuse 7 (30A) and the BCM  fuse 9 (10A) is OK.

        If OK, REPAIR the circuit in question. If not OK, REFER to the SYSTEM WIRING DIAGRAMS to identify the possible causes of the circuit short. CLEAR the DTCs. REPEAT the network test with the scan tool.

  2. N2 CHECK THE LTM GROUND CIRCUIT FOR AN OPEN 
    • Ignition OFF.
    • Disconnect: Negative Battery Cable.
    • Measure the resistance between the LTM C4174A-1  , circuit GD149 (BK/GY), harness side and ground.
      Fig 2: Measuring Resistance Between LTM C4174A-1, Circuit GD149 (BK/GY), Harness Side And Ground
      G06065460Courtesy of FORD MOTOR CO.

      Is the resistance less than 5 ohms? 

      1. Yes  : GO to  N3.
      2. No  : REPAIR the circuit. CONNECT the negative battery cable. CLEAR the DTCs. REPEAT the network test with the scan tool.
  3. N3 CHECK THE MS-CAN  CIRCUITS BETWEEN THE LTM  AND THE DLC FOR AN OPEN 
    • Disconnect: LTM C4174B  .
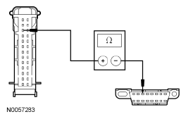
    • Measure the resistance between the LTM C4174B-24  , circuit VDB06 (GY/OG), harness side and the DLC C251-3  , circuit VDB06 (GY/OG), harness side.
      Fig 3: Measuring Resistance Between LTM C4174B-11, Circuit VDB06 (GY/OG) And DLC C251-3, Circuit VDB06 (GY/OG), Harness Side
      G06065461Courtesy of FORD MOTOR CO.
    • Measure the resistance between the LTM C4174B-23  , circuit VDB07 (VT/OG), harness side and the DLC C251-11  , circuit VDB07 (VT/OG), harness side.
      Fig 4: Measuring Resistance Between LTM C4174B-10, Circuit VDB07 (VT/OG) And DLC C251-11, Circuit VDB07 (VT/OG) Harness Side
      G06065462Courtesy of FORD MOTOR CO.

      Are the resistances less than 5 ohms? 

      1. Yes  : CONNECT the negative battery cable. GO to  N4.
      2. No  : REPAIR the circuit in question. CONNECT the negative battery cable. CLEAR the DTCs. REPEAT the network test with the scan tool.
  4. N4 CHECK FOR CORRECT LTM OPERATION 
    • Disconnect all the LTM  connectors.
    • Check for:
      • corrosion
      • damaged pins
      • pushed-out pins
    • Connect all the LTM  connectors and make sure they are seated correctly.
    • Operate the system and verify the concern is still present.

      Is the concern still present? 

      1. Yes  : INSTALL a new LTM  . REFER to BODY CLOSURES . CLEAR the DTCs. REPEAT the network test with the scan tool.
      2. No  : The system is operating correctly at this time. The concern may have been caused by a loose or corroded connector. CLEAR the DTCs. REPEAT the network test with the scan tool.