LEMON Manuals: Even more car manuals for everyone: 1960-2025
Home >> Lincoln >> 2014 >> MKS EcoBoost >> Repair and Diagnosis >> External Pages >> Different car >> Section 1864 (Module Communications Network) >> Diagnosis And Testing >> Communications Network >> Pinpoint Tests >> Pinpoint Test H: The Body Control Module (BCM) Does Not Respond To The Scan Tool >> Pinpoint Test H: The BCM Does Not Respond To The Scan Tool
April 5, 2026: LEMON Manuals is launched! Read the announcement.

Pinpoint Test H: The BCM Does Not Respond To The Scan Tool

WARNING: This page is about a different car, the 2013 Ford F-550 Super Duty, 2013 Ford F-450 Super Duty, 2013 Ford F-350 Super Duty, and 2013 Ford F-250 Super Duty. However, it is still accessible from the selected car via links, so may be relevant.
NOTE: Use the correct probe adapter(s) when making measurements. Failure to use the correct probe adapter(s) may damage the connector.
NOTE: Failure to disconnect the battery when instructed will result in false resistance readings. Refer to BATTERY, MOUNTING AND CABLES .
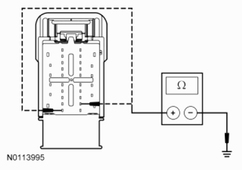
  1. H1 CHECK THE HS-CAN TERMINATION RESISTANCE 
    • Ignition OFF.
    • Disconnect: Negative Battery Cable.
    • Disconnect the scan tool cable from the Data Link Connector (DLC).
    • Measure the resistance between the DLC C251-6, circuit VDB04 (WH/BU), harness side and the DLC C251-14, circuit VDB05 (WH), harness side.
      Fig 1: Measuring Resistance Between DLC C251-6, Circuit VDB04 (WH/BU) And DLC C251-14, Circuit VDB05 (WH)
      G06065430Courtesy of FORD MOTOR CO.
    • Is the resistance between 54 and 66 ohms? 
    1. Yes  : CONNECT the negative battery cable. GO to  H3.
    2. No  : GO to H2.
  2. H2 CHECK THE HS-CAN CIRCUITS BETWEEN THE BCM AND THE DLC FOR AN OPEN 
    • Disconnect: BCM C2280F.
    • Measure the resistance between the BCM C2280F-16, circuit VDB04 (WH/BU), harness side and the Data Link Connector (DLC) C251-6, circuit VDB04 (WH/BU), harness side.
      Fig 2: Measuring Resistance Between BCM C2280F-16, Circuit VDB04 (WH/BU) And Data Link Connector (DLC) C251-6, Circuit VDB04 (WH/BU)
      G07406245Courtesy of FORD MOTOR CO.
    • Measure the resistance between the BCM C2280F-17, circuit VDB05 (WH), harness side and the DLC C251-14, circuit VDB05 (WH), harness side.
      Fig 3: Measuring Resistance Between BCM C2280F-17, Circuit VDB05 (WH) And DLC C251-14, Circuit VDB05 (WH)
      G07406246Courtesy of FORD MOTOR CO.
    • Are the resistances less than 5 ohms? 
    1. Yes  : GO to  H5.
    2. No  : REPAIR the circuit in question. CLEAR the DTCs. REPEAT the network test with the scan tool.
  3. H3 CHECK THE MS-CAN TERMINATION RESISTANCE 
    • Ignition OFF.
    • Disconnect: Negative Battery Cable.
    • Disconnect the scan tool cable from the Data Link Connector (DLC).
    • Measure the resistance between the DLC C251-3, circuit VDB06 (GY/OG), harness side and the DLC C251-11, circuit VDB07 (VT/OG), harness side.
      Fig 4: Measuring Resistance Between DLC C251-3, Circuit VDB06 (GY/OG) And DLC C251-11, Circuit VDB07 (VT/OG)
      G06065533Courtesy of FORD MOTOR CO.
    • Is the resistance between 54 and 66 ohms? 
    1. Yes  : CONNECT the negative battery cable. GO to  H5.
    2. No  : GO to H4.
  4. H4 CHECK THE MS-CAN CIRCUITS BETWEEN THE BCM AND THE DLC FOR AN OPEN 
    • Disconnect: BCM C2280B.
    • Measure the resistance between the BCM C2280B-38, circuit VDB06 (GY/OG), harness side and the Data Link Connector (DLC) C251-3, circuit VDB06 (GY/OG), harness side.
      Fig 5: Measuring Resistance Between BCM C2280B-38, Circuit VDB06 (GY/OG) And Data Link Connector (DLC) C251-3, Circuit VDB06 (GY/OG)
      G07406247Courtesy of FORD MOTOR CO.
    • Measure the resistance between the BCM C2280B-39, circuit VDB07 (VT/OG), harness side and the DLC C251-11, circuit VDB07 (VT/OG), harness side.
      Fig 6: Measuring Resistance Between BCM C2280B-39, Circuit VDB07 (VT/OG) And DLC C251-11, Circuit VDB07 (VT/OG)
      G07406248Courtesy of FORD MOTOR CO.
    • Are the resistances less than 5 ohms? 
    1. Yes  : CONNECT the negative battery cable. GO to H5.
    2. No  : REPAIR the circuit in question. CLEAR the DTCs. REPEAT the network test with the scan tool.
  5. H5 CHECK THE BCM VOLTAGE SUPPLY CIRCUIT FOR AN OPEN 
    NOTE: Measurements are taken with the fuses installed.
    • Ignition OFF.
    • Measure the voltage between the BCM C2280G-1, SBF03 (RD), and ground.
      Fig 7: Measuring Voltage Between BCM C2280G-1, SBF03 (RD) And Ground
      G08343150Courtesy of FORD MOTOR CO.
    • Is the voltage greater than 10 volts? 
    1. Yes  : GO to H6.
    2. No  : VERIFY the BCM fuse 28 (15A) is OK. If OK, REPAIR the circuit. CLEAR the DTCs. REPEAT the network test with the scan tool.
  6. H6 CHECK THE BCM GROUND CIRCUIT FOR AN OPEN 
    • Disconnect: Negative Battery Cable.
    • Disconnect: BCM C2280D.
    • Measure the resistance between the BCM, harness side and ground as follows:
      Connector-Pin Circuit
      C2280D-16 GD179 (BK/VT)
      C2280D-25 GD179 (BK/VT)
      Fig 8: Measuring Resistance Between BCM, Harness Side And Ground
      G07413555Courtesy of FORD MOTOR CO.
    • Are the resistances less than 5 ohms? 
    1. Yes  : GO to H7.
    2. No  : REPAIR the circuit. CLEAR the DTCs. REPEAT the network test with the scan tool.
  7. H7 CHECK FOR CORRECT BCM OPERATION 
    • Disconnect all the BCM connectors.
    • Check for:
      • corrosion
      • damaged pins
      • pushed-out pins
    • Connect all the BCM connectors and make sure they seat correctly.
    • Operate the system and verify the concern is still present.
    • Is the concern still present? 
    1. Yes  : INSTALL a new BCM. REFER to MULTIFUNCTION ELECTRONIC MODULES . CLEAR the DTCs. REPEAT the network test with the scan tool.
    2. No  : The system is operating correctly at this time. The concern may have been caused by a loose or corroded connector.