LEMON Manuals: Even more car manuals for everyone: 1960-2025
Home >> Lincoln >> 2014 >> MKX AWD >> Repair and Diagnosis >> External Pages >> Different car >> Section 116 (Module Communications Network) >> Diagnosis And Testing >> Communications Network >> Pinpoint Tests >> Pinpoint Test L: The Global Positioning System Module (GPSM) Does Not Respond To The Scan Tool >> Pinpoint Test L: The GPSM Does Not Respond To The Scan Tool
April 5, 2026: LEMON Manuals is launched! Read the announcement.

Pinpoint Test L: The GPSM Does Not Respond To The Scan Tool

WARNING: This page is about a different car, the 2013 Ford Mustang. However, it is still accessible from the selected car via links, so may be relevant.
NOTE: Use the correct probe adapter(s) when making measurements. Failure to use the correct probe adapter(s) may damage the connector.
NOTE: Failure to disconnect the battery when instructed results in false resistance readings. Refer to BATTERY, MOUNTING AND CABLES .
  1. L1 CHECK THE GPSM VOLTAGE SUPPLY CIRCUIT FOR AN OPEN 
    • Ignition OFF.
    • Disconnect: GPSM C2398.
    • Ignition ON.
    • Measure the voltage between the GPSM C2398-1, circuit SBP14 (BN/RD), harness side and ground.
      Fig 1: Measuring Voltage Between GPSM C2398-1, Circuit SBP14 (BN/RD) And Ground
      G06254399Courtesy of FORD MOTOR CO.
    • Is the voltage greater than 10 volts? 
    • Yes  : GO to L2.
    • No  : VERIFY the Smart Junction Box (SJB) fuse 14 (10A) is OK. If OK, REPAIR the circuit in question. If not OK, REFER to the SYSTEM WIRING DIAGRAMS to identify the possible causes of the circuit short. CLEAR the DTCs. REPEAT the network test with the scan tool.
  2. L2 CHECK THE GPSM GROUND CIRCUIT FOR AN OPEN 
    • Ignition OFF.
    • Disconnect: Negative Battery Cable.
    • Measure the resistance between the GPSM C2398-6, circuit GD115 (BK/GY), harness side and ground.
      Fig 2: Measuring Resistance Between GPSM C2398-6, Circuit GD115 (BK/GY) And Ground
      G06258081Courtesy of FORD MOTOR CO.
    • Is the resistance less than 5 ohms? 
    • Yes  : GO to L3.
    • No  : REPAIR the circuit. CONNECT the negative battery cable. CLEAR the DTCs. REPEAT the network test with the scan tool.
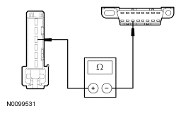
  3. L3 CHECK THE MS-CAN CIRCUITS BETWEEN THE GPSM AND THE DLC FOR AN OPEN 
    • Measure the resistance between the GPSM C2398-2, circuit VDB06 (GY/OG), harness side and the Data Link Connector (DLC) C251-3, circuit VDB06 (GY/OG), harness side.
      Fig 3: Measuring Resistance Between GPSM C2398-2, Circuit VDB06 (GY/OG) And Data Link Connector (DLC) C251-3
      G06254401Courtesy of FORD MOTOR CO.
    • Measure the resistance between the GPSM C2398-3, circuit VDB07 (VT/OG), harness side and the DLC C251-11, circuit VDB07 (VT/OG), harness side.
      Fig 4: Measuring Resistance Between GPSM C2398-3, Circuit VDB07 (VT/OG) And DLC C251-11
      G06254402Courtesy of FORD MOTOR CO.
    • Are the resistances less than 5 ohms? 
    • Yes  : CONNECT the negative battery cable. GO to L4.
    • No  : REPAIR the circuit in question. CONNECT the negative battery cable. CLEAR the DTCs. REPEAT the network test with the scan tool.
  4. L4 CHECK FOR CORRECT GPSM OPERATION 
    • Disconnect the GPSM connector.
    • Check for:
      • corrosion
      • damaged pins
      • pushed-out pins
    • Connect the GPSM connector and make sure it seats correctly.
    • Operate the system and verify the concern is still present.
    • Is the concern still present? 
    • Yes  : INSTALL a new GPSM. REFER to INFORMATION AND ENTERTAINMENT SYSTEMS . CLEAR the DTCs. REPEAT the network test with the scan tool.
    • No  : The system is operating correctly at this time. The concern may have been caused by a loose or corroded connector. CLEAR the DTCs. REPEAT the network test with the scan tool.