LEMON Manuals: Even more car manuals for everyone: 1960-2025
Home >> Mazda >> 1992 >> 929 >> Repair and Diagnosis (Single Page) >> Engine Performance >> System >> Engine Controls - Basic Testing >> Ignition Checks >> NAVAJO >> Check For VBAT To EDIS Module
April 5, 2026: LEMON Manuals is launched! Read the announcement.

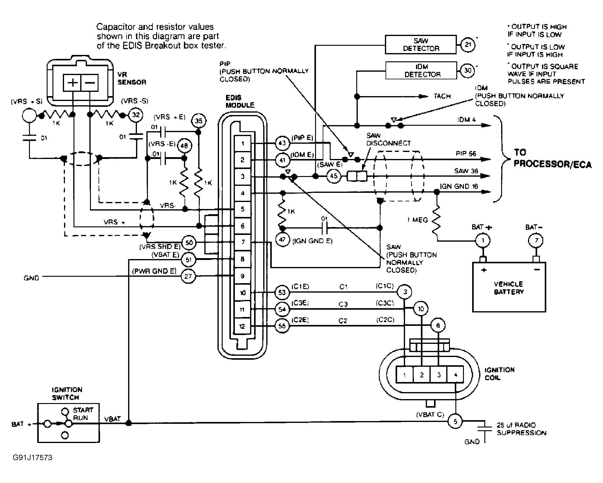
Check For VBAT To EDIS Module

Turn key off and disconnect ECA, set DVOM to 20-volt scale. Turn key on. Measure voltage between breakout box pins No. (+) J51 (VBAT E) and (-) J7 (BAT negative). See Figure . If voltage is greater than 10.5 volts, go to CHECK FOR GROUND OPEN TO EDIS MODULE. If voltage is 10.5 volts or less, repair open or short in circuit from ignition switch.