LEMON Manuals: Even more car manuals for everyone: 1960-2025
Home >> Mazda >> 1993 >> MX-6 Base, Standard >> Repair and Diagnosis >> Engine Performance >> System >> Engine Controls - Tests W/Codes - 2.0L >> Trouble Code Identification >> Code 16: (EGR Function Sensor - CALIFORNIA)
April 5, 2026: LEMON Manuals is launched! Read the announcement.

Code 16: (EGR Function Sensor - CALIFORNIA)

Fig 1: Trouble Code No. 16 - Diagnostic Flowchart
G93H80348Courtesy of MAZDA MOTORS CORP.
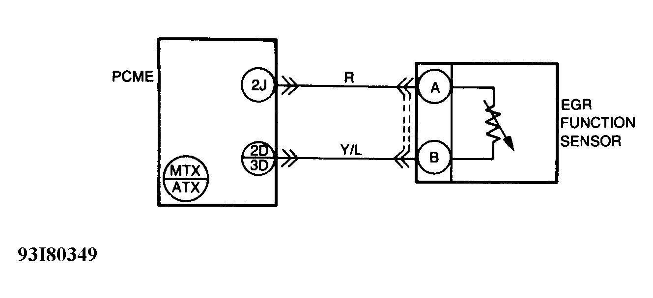
Fig 2: Trouble Code No. 16 - Schematic
G93I80349Courtesy of MAZDA MOTORS CORP.