LEMON Manuals: Even more car manuals for everyone: 1960-2025
Home >> Mazda >> 1995 >> 626 ES, Automatic >> Repair and Diagnosis >> Engine Performance >> System >> Engine Controls - Tests W/Codes - 2.5L >> Trouble Code Charts >> Code 34: Idle Air Control Valve
April 5, 2026: LEMON Manuals is launched! Read the announcement.

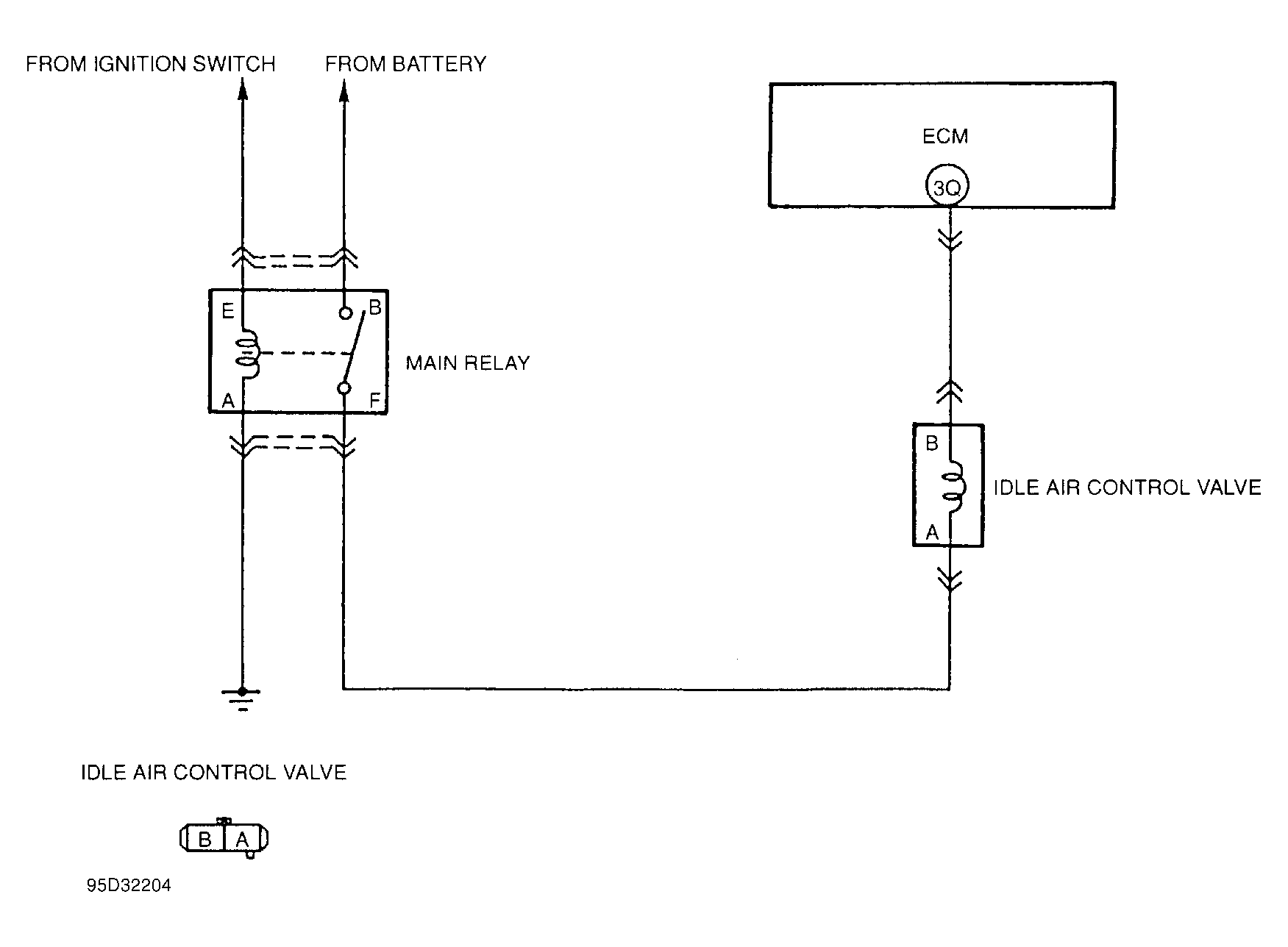
Code 34: Idle Air Control Valve

Fig 1: Trouble Code No. 34 Idle Air Control Valve
G95C32203
Fig 2: Trouble Code No. 34 Idle Air Control Valve Circuit Diagram
G95D32204