LEMON Manuals: Even more car manuals for everyone: 1960-2025
Home >> Mazda >> 2001 >> Tribute DX 2WD L4-2.0L >> Repair and Diagnosis >> Diagrams >> Electrical Diagrams >> General Module
April 5, 2026: LEMON Manuals is launched! Read the announcement.

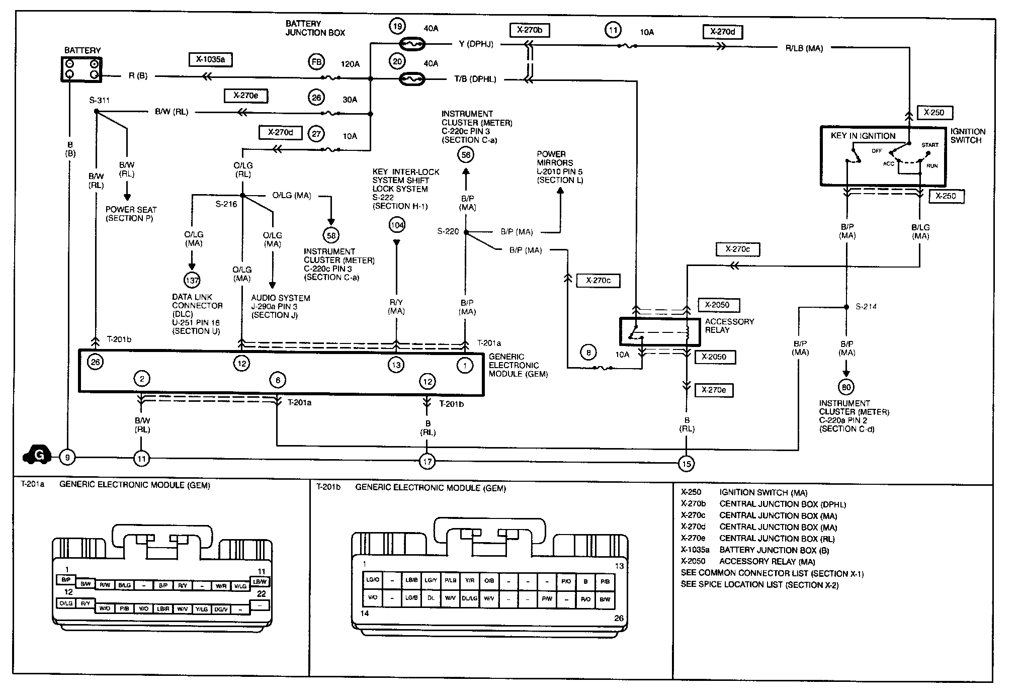
General Module

T-1a - Generic Electronic Module (GEM) System Circuit:




T-1b - Generic Electronic Module (GEM) System Circuit:




Wiring Diagrams

NOTE: To view other sections referred to in these diagrams, see Complete Body and Chassis Diagrams by Section (A Thru Z) Electrical Diagrams