LEMON Manuals: Even more car manuals for everyone: 1960-2025
Home >> Mazda >> 2002 >> 626 ES, Automatic >> Repair and Diagnosis (Single Page) >> Quick Lookups >> Wiring Diagrams >> OEM Wiring Diagram >> System Circuit Diagram/Connector Location >> Engine-Related System >> EC-At Control System (FS)/Engine Control System (FS)
April 5, 2026: LEMON Manuals is launched! Read the announcement.

EC-At Control System (FS)/Engine Control System (FS)

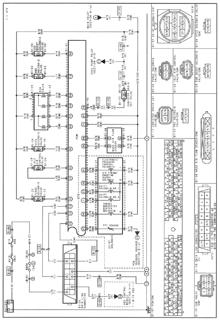
Fig 1: EC-AT Control System (FS) And Engine Control System (FS) Wiring Diagram (B-1a; 1 Of 2)
G11542716Courtesy of MAZDA MOTORS CORP.
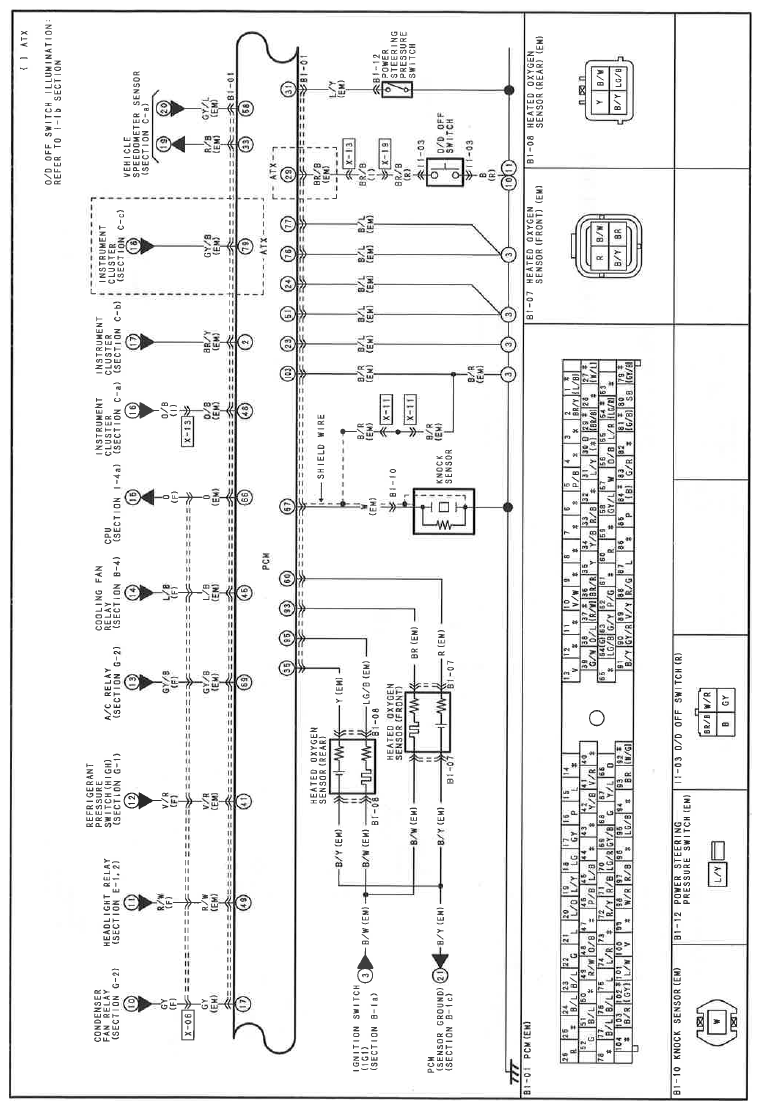
Fig 2: EC-AT Control System (FS) And Engine Control System (FS) Wiring Diagram (B-1a; 2 Of 2)
G11542717Courtesy of MAZDA MOTORS CORP.
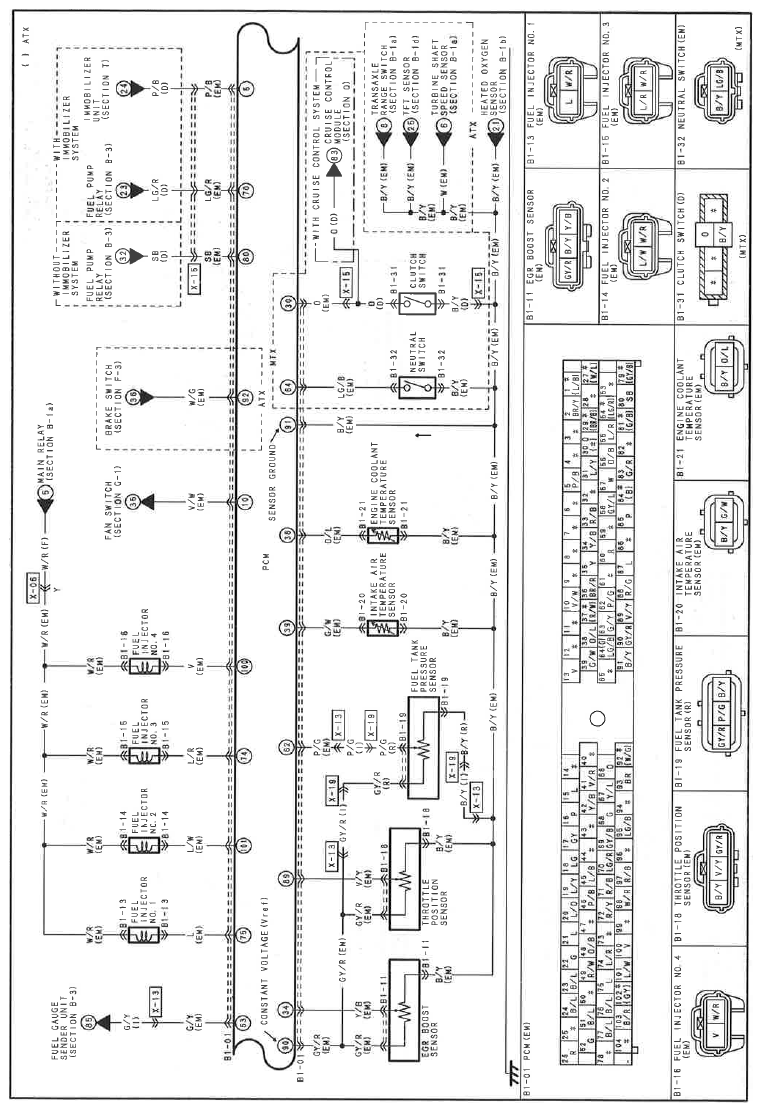
Fig 3: EC-AT Control System (FS) And Engine Control System (FS) Wiring Diagram (B-1a; 1 Of 2)
G11542718Courtesy of MAZDA MOTORS CORP.
Fig 4: EC-AT Control System (FS) And Engine Control System (FS) Wiring Diagram (B-1a; 2 Of 2)
G11542719Courtesy of MAZDA MOTORS CORP.
Fig 5: EC-AT Control System (FS) And Engine Control System (FS) Wiring Diagram (B-1c; 1 Of 2)
G11542720Courtesy of MAZDA MOTORS CORP.
Fig 6: EC-AT Control System (FS) And Engine Control System (FS) Wiring Diagram (B-1c; 2 Of 2)
G11542721Courtesy of MAZDA MOTORS CORP.
Fig 7: EC-AT Control System (FS) And Engine Control System (FS) Wiring Diagram (B-1d; 1 Of 2)
G11542722Courtesy of MAZDA MOTORS CORP.
Fig 8: EC-AT Control System (FS) And Engine Control System (FS) Wiring Diagram (B-1d; 2 Of 2)
G11542723Courtesy of MAZDA MOTORS CORP.