LEMON Manuals: Even more car manuals for everyone: 1960-2025
Home >> Mazda >> 2003 >> Tribute 2WD L4-2.0L >> Repair and Diagnosis >> Diagrams >> Exploded Views >> Engine
April 5, 2026: LEMON Manuals is launched! Read the announcement.

Engine








Upper Engine Components








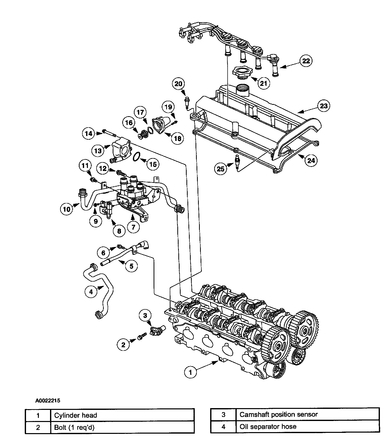
Cylinder Head Components








Lower Engine Components








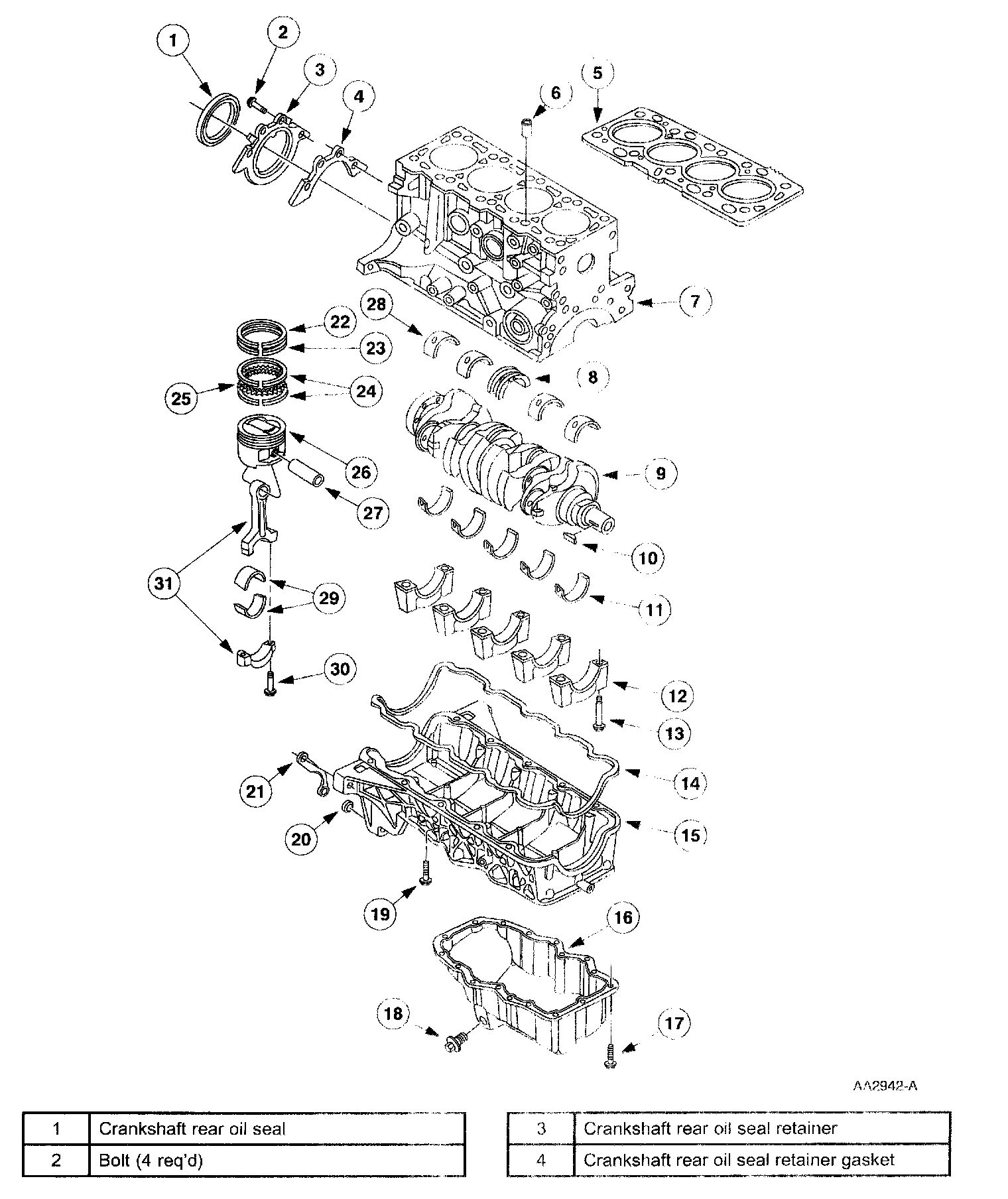
Cylinder Block Components