LEMON Manuals: Even more car manuals for everyone: 1960-2025
Home >> Mazda >> 2004 >> 6 i, 4D Hatchback, Automatic >> Repair and Diagnosis >> Engine Performance >> System >> Engine Control System (L3) >> Control System Wiring Diagram
April 5, 2026: LEMON Manuals is launched! Read the announcement.

Control System Wiring Diagram

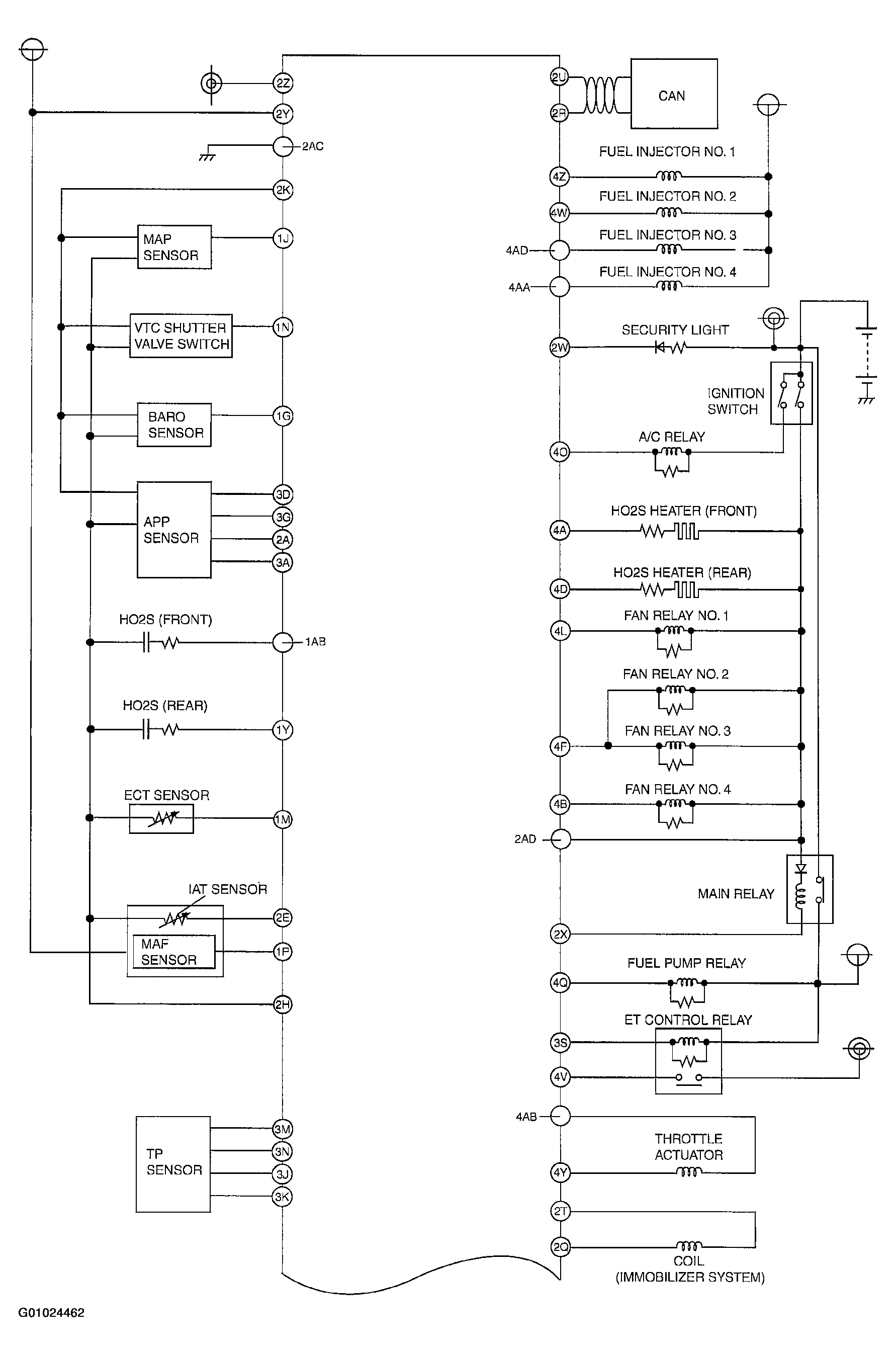
Fig 1: System Component Schematic (1 Of 2)
G01024462Courtesy of MAZDA MOTORS CORP.
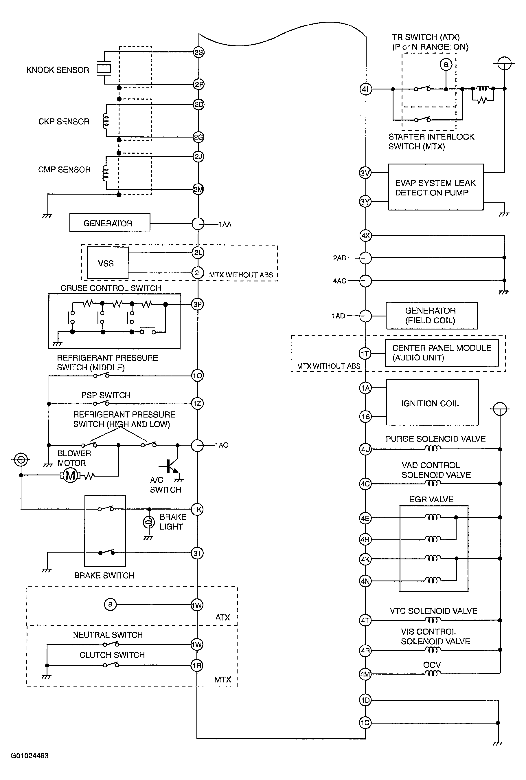
Fig 2: System Component Schematic (2 Of 2)
G01024463Courtesy of MAZDA MOTORS CORP.