LEMON Manuals: Even more car manuals for everyone: 1960-2025
Home >> Mazda >> 2005 >> 6 s, 4D Hatchback, Standard >> Repair and Diagnosis >> Engine Performance >> Engine Control Systems >> Engine Control System (AJ) >> Control System Wiring Diagram
April 5, 2026: LEMON Manuals is launched! Read the announcement.

Control System Wiring Diagram

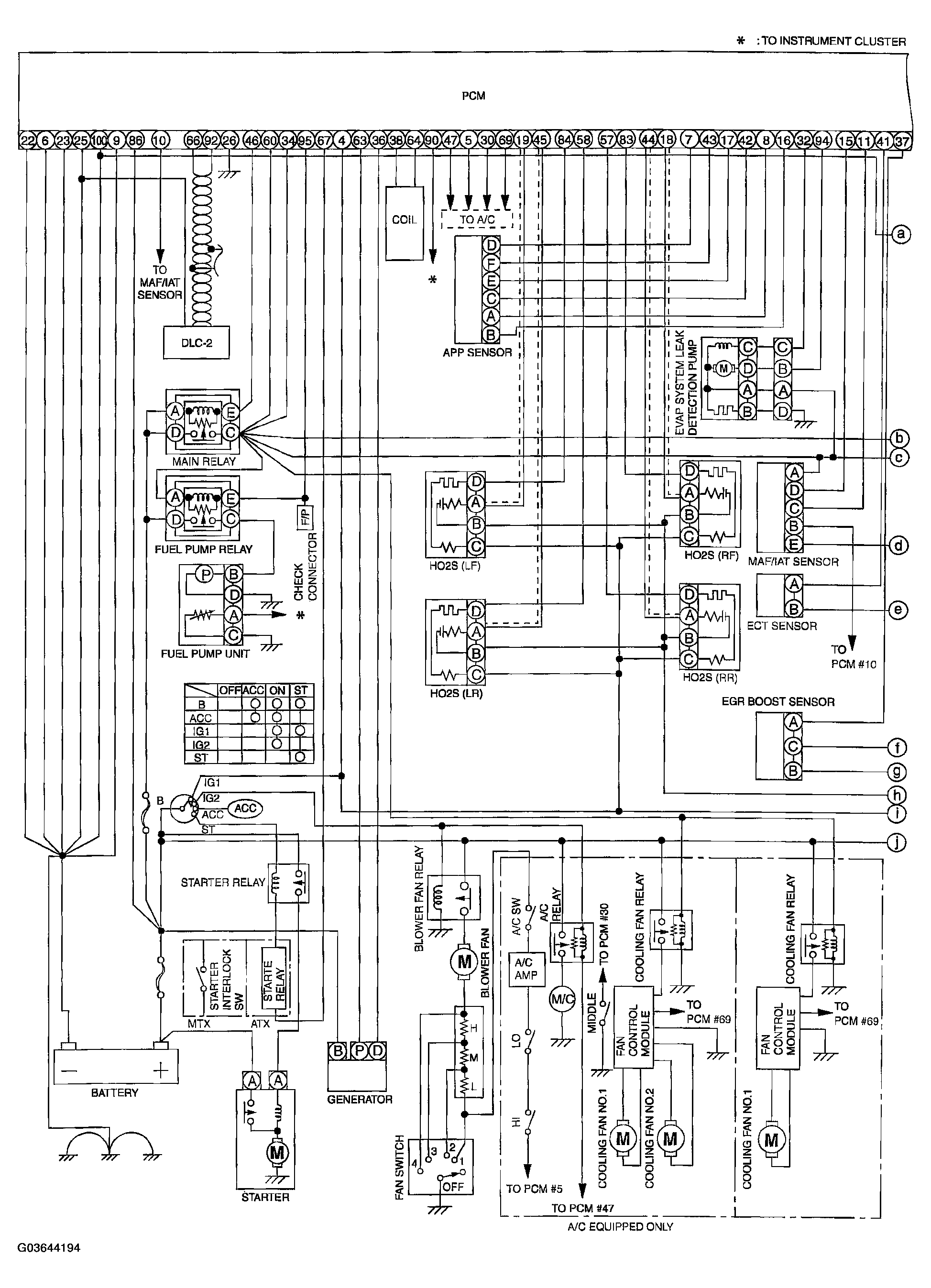
Fig 1: Identifying Control System Wiring Diagram [AJ] (1 of 2)
G03644194Courtesy of MAZDA MOTORS CORP.
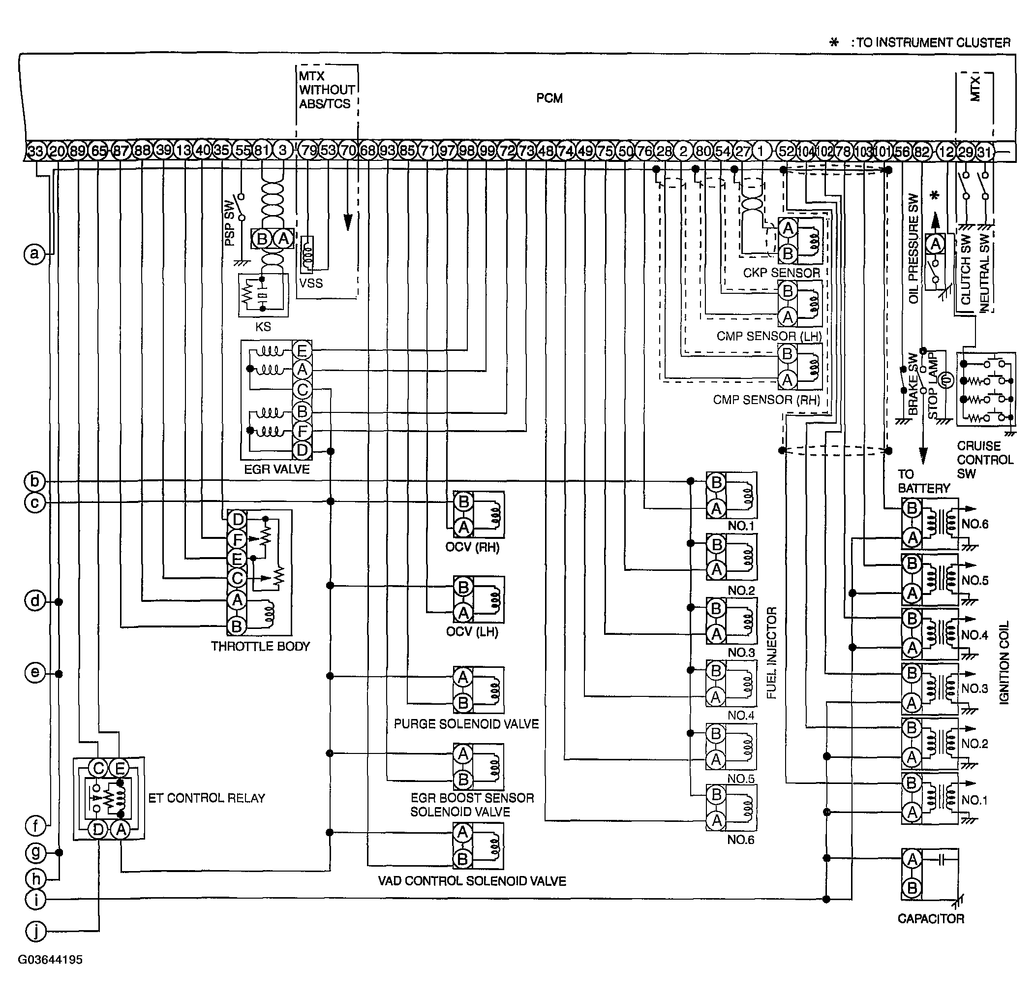
Fig 2: Identifying Control System Wiring Diagram [AJ] (2 of 2)
G03644195Courtesy of MAZDA MOTORS CORP.